ช่วงการไหล: 2 ~ 720m³/h ช่วงหัว: 5 ~ 125m อุณหภูมิที่ใช้งานได้: -20 ° C ...
1.2, IS Series Pump เป็นปั๊มแรงเหวี่ยงขั้นตอนเดียวในแนวนอนสำหรับการลำเลียงน้ำใสและของเหลวคล้ายกับน้ำในคุณสมบัติทางกายภาพและทางเคมีโดยไม่มีอนุภาคที่เป็นของแข็งซึ่งใช้ในโรงงานเหมืองแร่อาคารดับเพลิงการชลประทานน้ำประปาของเทศบาลและอื่น ๆ
1.3. การเปลี่ยนแปลงพารามิเตอร์ประสิทธิภาพของปั๊มที่มีข้อกำหนดเดียวกันสามารถรับรู้ได้โดยการตัดเส้นผ่านศูนย์กลางภายนอกของใบพัด
1.4. ปั๊มซีรีส์นั้นง่ายในโครงสร้างที่เชื่อถือได้ในประสิทธิภาพปริมาณขนาดเล็กน้ำหนักเบามีน้ำหนักความต้านทานต่อการกัดกร่อนของไอการใช้พลังงานต่ำและการใช้งานและการบำรุงรักษาที่สะดวก
1.5. ปั๊มเหมาะสำหรับการถ่ายทอดอุณหภูมิกลาง -10-85 C ด้วยแรงดันการทำงานทั่วไป <1.0mpa หากคุณต้องการเพิ่มเป็น 1.6mpa หรือสูงกว่าโปรดระบุเมื่อสั่งความเร็วทั่วไปของปั๊มคือ 1450rpm และ 2900rpm ตามพารามิเตอร์เงื่อนไขการทำงานของ บริษัท ของเราเพื่อให้บริการด้านเทคนิค
1.6. เป็นระดับความดันของหน้าแปลนปั๊มสำหรับ PN16 (GB9119) เช่นความดันอุปกรณ์มีข้อกำหนดพิเศษตามการผลิต PN25 (GB9119) เพื่อให้โปรดระบุในการเลือก
1.7. วัสดุที่ใช้กันทั่วไปสำหรับส่วนหลักของปั๊ม
| พิมพ์ | n ความเร็ว | ถาม ความจุ | ชม ศีรษะ | (NPSH) R | η | พลัง | ชุดสนับสนุนจากโรงงาน | เส้นผ่านศูนย์กลางด้านนอกของใบพัด | เครื่องสูบน้ำ | เส้นผ่านศูนย์กลางเรียว | น้ำหนักหัวปั๊ม | |||||||
| ทางเข้า | การออก | การดูด | ปล่อยออกมา | |||||||||||||||
| (R.P.M) | (m³/h) (1/s) USGPM (M) | (เท้า) | (M) | (เท้า) | - | (กม.) | (มม.) | (มม.) | (มม.) | (กก.) | ||||||||
| IS32/130 | 2900 | 9 | 2.5 | 39.6 | 24.5 | 80.4 | 1.2 | 3.9 | 49 | 1.23 | 2.2 | Y90L-2 2.2kw | 139 | 50 | 32 | / | 50 | 27.5 |
| 15 | 4.2 | 66.0 | 22 | 72.2 | 1.8 | 5.9 | 55 | 1.63 | 2.2 | |||||||||
| 18 | 5.0 | 79.3 | 20 | 65.6 | 2.3 | 7.5 | 56 | 1.75 | 2.2 | |||||||||
| IS32/130A | 8.4 | 2.3 | 37.0 | 21 | 68.9 | 1.8 | 5.9 | 47 | 1.02 | 1.5 | Y90L-2 2.2kw | 130 | ||||||
| 2900 | 14 | 3.9 | 61.6 | 19 | 62.3 | 2 | 6.6 | 54 | 1.34 | 2.2 | ||||||||
| 16.8 | 4.7 | 74.0 | 17 | 55.8 | 2.3 | 7.5 | 55 | 1.41 | 2.2 | |||||||||
| IS32/130B | 2900 | 7.8 | 2.2 | 34.3 | 18 | 591 | 1.8 | 5.9 | 43 | 0.89 | 1.1 | Y90S-2 1.5kW | 120 | |||||
| 13 | 3.6 | 572 | 16 | 52.5 | 1.88 | 6.2 | 51 | 1.11 | 1.5 | |||||||||
| 15.6 | 4.3 | 68.7 | 14.5 | 47.6 | 2.08 | 6.8 | 52 | 1.18 | 1.5 | |||||||||
| IS32/160 | 2900 | 10.8 | 3.0 | 47.6 | 40 | 131.2 | 1.2 | 3.9 | 47 | 2.50 | 3 | Y132S1-2 5.5kW | 174 | 50 | 32 | / | 50 | 35 |
| 18 | 5.0 | 79.3 | 38.5 | 126.3 | 2 | 6.6 | 58.5 | 3.23 | 4 | |||||||||
| 21.6 | 6.0 | 95.1 | 36 | 118.1 | 2.6 | 8.5 | 59 | 3.59 | 5.5 | |||||||||
| IS32/160A | 2900 | 10.5 | 2.9 | 46.2 | 35.7 | 1171 | 1.9 | 6.2 | 46 | 2.22 | 3 | y112m-2 4kW | 165 | |||||
| 17 | 4.7 | 74.8 | 33 | 108.3 | 1.95 | 6.4 | 55 | 2.78 | 4 | |||||||||
| 20.4 | 5.7 | 89.8 | 30 | 98.4 | 2.4 | 79 | 56 | 2.98 | 4 | |||||||||
| IS32/160B | 2900 | 9.6 | 2.7 | 42.3 | 32.4 | 106.3 | 1.9 | 6.2 | 44 | 1.93 | 2.2 | y112m-2 4kW | 155 | |||||
| 16 | 4.4 | 70.4 | 29.5 | 96.8 | 1.95 | 6.4 | 53 | 2.43 | 4 | |||||||||
| 19.2 | 5.3 | 84.5 | 27 | 88.6 | 2.2 | 7.2 | 54 | 2.61 | 4 | |||||||||
| IS32/200 | 2900 | 10.8 | 3.0 | 476 | 66 | 216.5 | 1.3 | 4.3 | 43 | 4.51 | 5.5 | Y160M1-2 11kW | 214 | 50 | 32 | 50 | 41 | |
| 18 | 5.0 | 79.3 | 61.5 | 201.8 | 1.9 | 6.2 | 52.5 | 5.74 | 7.5 | |||||||||
| 21.6 | 6.0 | 95.1 | 57 | 1870 | 2.3 | 7.5 | 53.5 | 6.27 | 11 | |||||||||
| IS32/200A | 2900 | 10.2 | 2.8 | 44.9 | 58 | 190.3 | 1.8 | 5.9 | 40 | 4.03 | 5.5 | Y132S2-2 7.5kW | 205 | |||||
| 17 | 4.7 | 74.8 | 55.5 | 182.1 | 1.95 | 6.4 | 53 | 4.85 | 7.5 | |||||||||
| 20.4 | 5.7 | 89.8 | 52 | 170.6 | 2.2 | 7.2 | 53 | 5.45 | 7.5 | |||||||||
| IS32/200B | 2900 | 9.9 | 2.8 | 43.6 | 51.5 | 169.0 | 1.8 | 5.9 | 38 | 3.65 | 5.5 | Y132S2-2 7.5kW | 195 | |||||
| 16.5 | 4.6 | 72.6 | 48 | 157.5 | 1.9 | 6.2 | 49 | 4.40 | 5.5 | |||||||||
| 19.8 | 5.5 | 872 | 45 | 147.6 | 2.15 | 7.1 | 48.5 | 5.00 | 7.5 | |||||||||
| IS32/260 | 2900 | 13.2 | 3.7 | 58.1 | 102 | 334.6 | 1.8 | 5.9 | 32.5 | 11.28 | 15 | Y160L-2 18.5kW | 264 | 50 | 32 | / | 50 | 59 |
| 22 | 6.1 | 96.9 | 96 | 315.0 | 2.7 | 8.9 | 40.5 | 14.20 | 18.5 | |||||||||
| 26.4 | 7.3 | 116.2 | 89 | 292.0 | 3.3 | 10.8 | 41 | 15.61 | 18.5 | |||||||||
| IS32/260A | 2900 | 12.6 | 3.5 | 55.5 | 92.5 | 303.5 | 2.1 | 6.9 | 32 | 992 | 15 | Y160M2-2 15kW | 255 | |||||
| 21 | 5.8 | 92.5 | 88 | 288.7 | 2.2 | 7.2 | 40 | 12.58 | 15 | |||||||||
| 25.2 | 70 | 111.0 | 83 | 272.3 | 2.5 | 8.2 | 41 | 13.89 | 15 | |||||||||
| IS32/260B | 2900 | 12.3 | 3.4 | 54.2 | 84.5 | 277.2 | 2.15 | 7.1 | 30 | 9.43 | 15 | Y160M2-2 15kW | 245 | |||||
| 20.5 | 5.7 | 90.3 | 81 | 265.7 | 2.16 | 7.1 | 38.5 | 11.75 | 15 | |||||||||
| 24.6 | 6.8 | 108.3 | 77 | 252.6 | 2.38 | 7.8 | 40 | 12.90 | 15 | |||||||||
| IS40/130 | 2900 | 18 | 5.0 | 79.3 | 26 | 85.3 | 1.4 | 4.6 | 61 | 2.09 | 3 | y112m-2 4kW | 139 | 65 | 40 | / | 65 | 30 |
| 30 | 8.3 | 132.1 | 24.5 | 80.4 | 2.5 | 8.2 | 75.5 | 2.65 | 4 | |||||||||
| 36 | 10.0 | 158.5 | 23 | 75.5 | 3.5 | 11.5 | 77.5 | 2.91 | 4 | |||||||||
| IS40/130A | 2900 | 16.8 | 4.7 | 74.0 | 22.5 | 73.8 | 1.8 | 5.9 | 59 | 1.74 | 2.2 | y112m-2 4kW | 130 | |||||
| 28 | 7.8 | 123.3 | 21 | 68.9 | 2 | 6.6 | 70 | 2.29 | 3 | |||||||||
| 33.6 | 9.3 | 1479 | 20 | 65.6 | 2.25 | 7.4 | 72 | 2.54 | 4 | |||||||||
| IS40/130B | 2900 | 15.6 | 4.3 | 68.7 | 18.5 | 60.7 | 1.8 | 5.9 | 53 | 1.48 | 1.5 | Y100L-2 3kW | 120 | |||||
| 26 | 7.2 | 114.5 | 17.5 | 574 | 1.9 | 6.2 | 65 | 1.91 | 3 | |||||||||
| 31.2 | 8.7 | 1374 | 16.5 | 54.1 | 2.15 | 71 | 65 | 2.16 | 3 | |||||||||
| IS40/160 | 2900 | 18 | 5.0 | 79.3 | 41 | 134.5 | 2.7 | 8.9 | 54 | 3.72 | 5.5 | Y132S2-2 7.5kW | 174 | 65 | 40 | / | 65 | 36 |
| 30 | 8.3 | 1321 | 38.5 | 126.3 | 3.2 | 10.5 | 64 | 4.91 | 7.5 | |||||||||
| 36 | 10.0 | 158.5 | 35.5 | 116.5 | 3.7 | 12.1 | 64.5 | 5.40 | 7.5 | |||||||||
| IS.40/160A | 2900 | 17.1 | 4.8 | 75.3 | 36 | 118.1 | 2.1 | 6.9 | 52 | 3.22 | 4 | Y132S1-2 5.5kW | 165 | |||||
| 28.5 | 79 | 125.5 | 33.5 | 1099 | 2.5 | 8.2 | 65 | 4.00 | 5.5 | |||||||||
| 34.2 | 9.5 | 150.6 | 31 | 101.7 | 3.25 | 10.7 | 62 | 4.66 | 5.5 | |||||||||
| IS40/160B | 2900 | 15.9 | 4.4 | 70.0 | 31.5 | 103.3 | 2 | 6.6 | 48 | 2.84 | 4 | y112m-2 4kW | 155 | |||||
| 26.5 | 74 | 116.7 | 29 | 95.1 | 2.4 | 79 | 59.5 | 3.52 | 4 | |||||||||
| 31.8 | 8.8 | 140.0 | 25.5 | 83.7 | 2.9 | 9.5 | 59 | 3.74 | 4 | |||||||||
| คือ 40/200 | 2900 | 18 | 5.0 | 79.3 | 64 | 210.0 | 1.85 | 6.1 | 48 | 6.54 | 7.5 | Y160M1-2 11kW | 214 | 65 | 40 | 65 | 44 | |
| 30 | 8.3 | 132.1 | 61 | 200.1 | 2.7 | 8.9 | 59.5 | 8.38 | 11 | |||||||||
| 36 | 10.0 | 158.5 | 58.5 | 191.9 | 3.2 | 10.5 | 62 | 9.25 | 11 | |||||||||
| IS40/200A | 2900 | 17 | 4.7 | 74.8 | 58.5 | 1919 | 1.8 | 5.9 | 48.5 | 5.58 | 7.5 | Y160M1-2 11kW | 205 | |||||
| 29 | 8.1 | 1277 | 56 | 183.7 | 1.95 | 6.4 | 61 | 7.25 | 11 | |||||||||
| 34.5 | 9.6 | 151.9 | 53.5 | 175.5 | 2.45 | 8.0 | 63 | 798 | 11 | |||||||||
| IS40/200B | 2900 | 16.5 | 4.6 | 72.6 | 52.5 | 172.2 | 1.8 | 5.9 | 46 | 5.13 | 5.5 | Y160M1-2 11kW | 195 | |||||
| 27.5 | 7.6 | 121.1 | 49 | 160.8 | 1.9 | 6.2 | 59 | 6.22 | 7.5 | |||||||||
| 33 | 9.2 | 145.3 | 47 | 154.2 | 2.2 | 7.2 | 61 | 6.92 | 11 | |||||||||
| IS40/260 | 2900 | 21.6 | 6.0 | 95.1 | 98.5 | 323.2 | 1.5 | 4.9 | 45 | 12.88 | 15 | y180m-2 22kW | 264 | 65 | 40 | / | 65 | 61 |
| 36 | 10.0 | 158.5 | 95.5 | 313.3 | 2 | 6.6 | 56 | 16.72 | 18.5 | |||||||||
| 43.2 | 12.0 | 190.2 | 91 | 298.6 | 2.4 | 79 | 59 | 18.15 | 22 | |||||||||
| IS40/260A | 2900 | 19.2 | 5.3 | 84.5 | 89 | 292.0 | 1.8 | 5.9 | 42 | 11.08 | 15 | Y160L-2 18.5kW | 255 | |||||
| 32 | 8.9 | 140.9 | 87 | 285.4 | 1.95 | 6.4 | 53 | 14.31 | 18.5 | |||||||||
| 38.4 | 10.7 | 169.1 | 84 | 275.6 | 2.35 | 7.7 | 55 | 15.97 | 18.5 | |||||||||
| IS40/260B | 2900 | 18.5 | 5.1 | 81.5 | 80 | 262.5 | 1.8 | 5.9 | 40 | 10.08 | 15 | Y160L-2 18.5kW | 245 | |||||
| 30.5 | 8.5 | 134.3 | 78 | 255.9 | 1.9 | 6.2 | 53 | 12.22 | 15 | |||||||||
| 37 | 10.3 | 162.9 | 76 | 249.3 | 2.2 | 7.2 | 54 | 14.18 | 18.5 | |||||||||
| IS40/320H | 2900 | 21.6 | 6.0 | 95.1 | 150 | 492.1 | 2 | 6.6 | 34 | 25.95 | 30 | Y200L2-2 37kW | 329 | 65 | 40 | 80 | 65 | 96 |
| 36 | 10.0 | 158.5 | 139 | 456.0 | 2.8 | 9.2 | 44 | 30.97 | 37 | |||||||||
| 43.2 | 12.0 | 190.2 | 127 | 416.7 | 3.8 | 12.5 | 45 | 33.20 | 37 | |||||||||
| IS40/320HA | 2900 | 19.5 | 54 | 85.9 | 124 | 406.8 | 1.7 | 5.6 | 34 | 19.37 | 22 | Y200L1-2 30kW | 300 | |||||
| 32.5 | 9.0 | 143.1 | 115 | 377.3 | 2.8 | 9.2 | 43 | 23.67 | 30 | |||||||||
| 38.5 | 10.7 | 169.5 | 107 | 351.0 | 3.8 | 12.5 | 44 | 25.50 | 30 | |||||||||
| IS40/320HB | 2900 | 17.5 | 4.9 | 771 | 109 | 357.6 | 1.5 | 4.9 | 32 | 16.23 | 22 | y180m-2 22kW | 280 | |||||
| 29 | 8.1 | 1277 | 102 | 334.6 | 2.3 | 7.5 | 41 | 19.65 | 22 | |||||||||
| 34.5 | 9.6 | 151.9 | 95 | 311.7 | 3.2 | 10.5 | 42 | 21.25 | 22 | |||||||||
| IS50/130 | 2900 | 36 | 10.0 | 158.5 | 26 | 85.3 | 2.4 | 79 | 67.5 | 3.78 | 5.5 | Y132S2-2 7.5kW | 139 | 65 | 50 | 80 | 80 | 34 |
| 60 | 16.7 | 264.2 | 23.5 | 771 | 3.3 | 10.8 | 76 | 5.05 | 5.5 | |||||||||
| 72 | 20.0 | 3170 | 21.5 | 70.5 | 3.9 | 12.8 | 74.5 | 5.66 | 7.5 | |||||||||
| IS50/130A | 2900 | 33.5 | 9.3 | 1475 | 21.5 | 70.5 | 2.5 | 8.2 | 64.5 | 3.04 | 4 | Y132S1-2 5.5kW | 130 | |||||
| 56 | 15.6 | 246.6 | 18.5 | 60.7 | 3.1 | 10.2 | 70.5 | 4.00 | 5.5 | |||||||||
| 67.5 | 18.8 | 297.2 | 15.5 | 50.9 | 3.6 | 11.8 | 65.5 | 4.35 | 5.5 | |||||||||
| IS50/130B | 2900 | 31 | 8.6 | 136.5 | 18.5 | 60.7 | 2.5 | 8.2 | 61 | 2.56 | 3 | Y132S1-2 5.5kW | 120 | |||||
| 52 | 14.4 | 228.9 | 16.5 | 54.1 | 2.9 | 9.5 | 70 | 3.34 | 4 | |||||||||
| 62 | 17.2 | 273.0 | 15 | 49.2 | 3.3 | 10.8 | 69 | 3.67 | 5.5 | |||||||||
| IS50/160 | 2900 | 40 | 11.1 | 176.1 | 42.5 | 139.4 | 2 | 6.6 | 68.5 | 6.76 | 11 | Y160M1-2 11kW | 174 | 65 | 50 | 80 | 80 | 38 |
| 65 | 18.1 | 286.2 | 39 | 128.0 | 3.5 | 11.5 | 76 | 9.08 | 11 | |||||||||
| 78 | 21.7 | 343.4 | 35.5 | 116.5 | 4.7 | 15.4 | 73.5 | 10.26 | 11 | |||||||||
| คือ 50/160a | 2900 | 37 | 10.3 | 162.9 | 38 | 124.7 | 2.5 | 8.2 | 70 | 5.47 | 7.5 | Y160M1-2 11kW | 165 | |||||
| 61.5 | 17.1 | 270.8 | 34.5 | 113.2 | 3.3 | 10.8 | 76 | 7.60 | 11 | |||||||||
| 74 | 20.6 | 325.8 | 30 | 98.4 | 3.9 | 12.8 | 74 | 8.17 | 11 | |||||||||
| IS50/160B | 2900 | 34.8 | 9.7 | 153.2 | 34 | 111.5 | 2.35 | 7.7 | 71 | 4.54 | 7.5 | Y160M1-2 11kW | 155 | |||||
| 58 | 16.1 | 255.4 | 30.5 | 100.1 | 3.1 | 10.2 | 75 | 6.42 | 11 | |||||||||
| 69.5 | 19.3 | 306.0 | 28 | 91.9 | 3.7 | 12.1 | 73 | 7.26 | 11 | |||||||||
| IS50/200 | 2900 | 36 | 10.0 | 158.5 | 61 | 200.1 | 1.9 | 6.2 | 64 | 9.34 | 15 | Y160L-2 18.5kW | 214 | 65 | 50 | 80 | 80 | 46 |
| 60 | 16.7 | 264.2 | 55 | 180.4 | 3.2 | 10.5 | 70 | 12.84 | 15 | |||||||||
| 72 | 20.0 | 317.0 | 51 | 167.3 | 4.1 | 13.5 | 69.5 | 14.39 | 18.5 | |||||||||
| IS50/200A | 2900 | 34.5 | 9.6 | 151.9 | 57 | 1870 | 2.5 | 8.2 | 60 | 8.93 | 11 | Y160M2-2 15kW | 205 | |||||
| 57.5 | 16.0 | 253.2 | 53 | 173.9 | 3.1 | 10.2 | 72 | 11.53 | 15 | |||||||||
| 69 | 19.2 | 303.8 | 50.5 | 165.7 | 3.75 | 12.3 | 73 | 13.00 | 15 | |||||||||
| IS50/200B | 2900 | 33 | 9.2 | 145.3 | 49.5 | 162.4 | 2.5 | 8.2 | 62 | 7.18 | 11 | Y160M2-2 15kW | 195 | 65 | 50 | 80 | 80 | 46 |
| 54.5 | 15.1 | 240.0 | 43 | 141.1 | 3 | 9.8 | 68 | 9.39 | 15 | |||||||||
| 65.5 | 18.2 | 288.4 | 38 | 124.7 | 3.5 | 11.5 | 66 | 10.27 | 15 | |||||||||
| IS50/260 IS50/260G | 2900 | 40 | 11.1 | 176.1 | 103 | 3379 | 2.2 | 7.2 | 54 | 20.78 | 30 | Y200L2-2 37kW | 264 | 65 | 50 | 80 | 80 | 63 |
| 65 | 18.1 | 286.2 | 97.5 | 3199 | 4 | 13.1 | 63.5 | 2718 | 30 | |||||||||
| 78 | 21.7 | 343.4 | 91 | 298.6 | 4.9 | 16.1 | 63 | 30.68 | 37 | |||||||||
| IS50/260AX S50/260GA | 2900 | 38.5 | 10.7 | 169.5 | 91.5 | 300.2 | 2.4 | 79 | 50 | 1919 | 22 | Y200L1-2 30kW | 255 | |||||
| 63 | 17.5 | 277.4 | 85.5 | 280.5 | 3.3 | 10.8 | 60 | 24.45 | 30 | |||||||||
| 75.5 | 21.0 | 332.4 | 80 | 262.5 | 3.9 | 12.8 | 61.5 | 26.75 | 30 | |||||||||
| IS50/260B IS50/260GB | 2900 | 37 | 10.3 | 162.9 | 84 | 275.6 | 2.3 | 7.5 | 50 | 16.93 | 18.5 | Y200L1-2 30kW | 245 | |||||
| 60.5 | 16.8 | 266.4 | 77 | 252.6 | 3.2 | 10.5 | 60 | 21.14 | 30 | |||||||||
| 72.5 | 20.1 | 319.2 | 71 | 232.9 | 3.9 | 12.8 | 58 | 24.17 | 30 | |||||||||
| IS50/320H | 2900 | 54 | 15.0 | 237.8 | 146 | 479.0 | 3.5 | 11.5 | 53 | 40.51 | 45 | Y280S-2 75kW | 329 | 65 | 50 | 80 | 80 | 101 |
| 90 | 25.0 | 396.3 | 137 | 449.5 | 7 | 23.0 | 61 | 55.05 | 75 | |||||||||
| 108 | 30.0 | 475.5 | 130 | 426.5 | 8 | 26.2 | 62 | 61.67 | 75 | |||||||||
| IS50/320HA | 2900 | 48.5 | 13.5 | 213.5 | 130 | 426.5 | 3.3 | 10.8 | 50 | 34.34 | 45 | Y280S-2 75kW | 300 | |||||
| 81 | 22.5 | 356.6 | 124 | 406.8 | 6.5 | 21.3 | 60 | 45.59 | 55 | |||||||||
| 97 | 26.9 | 4271 | 117 | 383.9 | 7.5 | 24.6 | 61 | 50.67 | 75 | |||||||||
| S50/320HB | 2900 | 46.5 | 12.9 | 204.7 | 105 | 344.5 | 2.5 | 8.2 | 52 | 25.57 | 30 | y225m-2 45kW | 280 | |||||
| 78 | 21.7 | 343.4 | 98 | 321.5 | 5 | 16.4 | 59.5 | 34.99 | 45 | |||||||||
| 93 | 25.8 | 409.5 | 91 | 298.6 | 6.5 | 21.3 | 59 | 39.06 | 45 | |||||||||
| IS65/130 | 2900 | 60 | 16.7 | 264.2 | 25.5 | 83.7 | 2.6 | 8.5 | 66.5 | 6.27 | 7.5 | Y160M1-2 11kW | 139 | 80 | 65 | 100 | 100 | 39 |
| 100 | 278 | 440.3 | 21 | 68.9 | 3.9 | 12.8 | 70 | 8.17 | 11 | |||||||||
| 120 | 33.3 | 528.3 | 16 | 52.5 | 4.8 | 15.7 | 59 | 8.86 | 11 | |||||||||
| IS65/130A | 2900 | 56 | 15.6 | 246.6 | 21.8 | 71.5 | 3 | 9.8 | 65 | 5.11 | 7.5 | Y160M1-2 11kW | 130 | |||||
| 93.5 | 26.0 | 411.7 | 17.5 | 574 | 3.5 | 11.5 | 70 | 6.37 | 11 | |||||||||
| 112.5 | 31.3 | 495.3 | 13 | 42.7 | 4.1 | 13.5 | 57 | 6.99 | 11 | |||||||||
| IS65/130B | 2900 | 52 | 14.4 | 228.9 | 18 | 591 | 3 | 9.8 | 62.5 | 4.08 | 5.5 | Y132S2-2 7.5kW | 120 | |||||
| 86.5 | 24.0 | 380.8 | 13.7 | 44.9 | 3.3 | 10.8 | 66 | 4.89 | 7.5 | |||||||||
| 104 | 28.9 | 4579 | 10.6 | 34.8 | 3.75 | 12.3 | 57 | 5.27 | 7.5 | |||||||||
| IS65/160 | 2900 | 64.5 | 17.9 | 284.0 | 39 | 128.0 | 3.2 | 10.5 | 69 | 993 | 15 | Y160L-2 18.5kW | 174 | 80 | 65 | 100 | 100 | 43 |
| 108 | 30.0 | 475.5 | 33.5 | 1099 | 4.2 | 13.8 | 77.5 | 12.71 | 15 | |||||||||
| 129.5 | 36.0 | 570.2 | 29 | 95.1 | 5 | 16.4 | 72 | 14.20 | 18.5 | |||||||||
| IS65/160A | 2900 | 57 | 15.8 | 251.0 | 34 | 111.5 | 3.6 | 11.8 | 63 | 8.38 | 11 | Y160M2-2 15kW | 165 | |||||
| 95 | 26.4 | 418.3 | 30.5 | 100.1 | 4.1 | 13.5 | 74 | 10.66 | 15 | |||||||||
| 114 | 31.7 | 501.9 | 27 | 88.6 | 4.8 | 15.7 | 71 | 11.81 | 15 | |||||||||
| IS65/160B | 2900 | 53.5 | 14.9 | 235.6 | 30 | 98.4 | 3.6 | 11.8 | 60 | 7.28 | 11 | Y160M1-2 11kW | 155 | |||||
| 89 | 24.7 | 391.9 | 25.5 | 83.7 | 3.95 | 13.0 | 70 | 8.83 | 11 | |||||||||
| 107 | 29.7 | 471.1 | 22.5 | 73.8 | 4.5 | 14.8 | 69 | 9.50 | 11 | |||||||||
| IS65/200 IS65/200G | 2900 | 66 | 18.3 | 290.6 | 64 | 210.0 | 2.2 | 7.2 | 65 | 17.70 | 22 | Y200L1-2 30kW | 214 | 80 | 65 | 125 | 100 | 70 |
| 110 | 30.6 | 484.3 | 59 | 193.6 | 4.2 | 13.8 | 74.5 | 23.72 | 30 | |||||||||
| 132 | 36.7 | 581.2 | 54.5 | 178.8 | 6.2 | 20.3 | 73.5 | 26.66 | 30 | |||||||||
| IS.65/200A IS65/200GA | 2900 | 63 | 17.5 | 277.4 | 60 | 196.9 | 3 | 9.8 | 64 | 16.08 | 18.5 | Y200L1-2 30kW | 205 | |||||
| 105.5 | 29.3 | 464.5 | 55.5 | 182.1 | 3.75 | 12.3 | 74 | 21.55 | 30 | |||||||||
| 126.5 | 35.1 | 557.0 | 52 | 170.6 | 4.85 | 15.9 | 73.5 | 24.37 | 30 | |||||||||
| IS65/200B S65/200GB | 2900 | 60 | 16.7 | 264.2 | 50 | 164.0 | 3 | 9.8 | 62 | 13.18 | 18.5 | y180m-2 22kW | 195 | |||||
| 100 | 278 | 440.3 | 45.5 | 149.3 | 3.6 | 11.8 | 75.5 | 16.41 | 22 | |||||||||
| 120 | 33.3 | 528.3 | 42 | 137.8 | 4.4 | 14.4 | 75 | 18.30 | 22 | |||||||||
| IS65/260 | 2900 | 72 | 20.0 | 3170 | 98 | 321.5 | 3.3 | 10.8 | 64.5 | 29.79 | 37 | y250m-2 55kW | 264 | 80 | 65 | 125 | 100 | 81 |
| 120 | 33.3 | 528.3 | 90 | 295.3 | 4.5 | 14.8 | 73 | 40.29 | 45 | |||||||||
| 144 | 40.0 | 634.0 | 83 | 272.3 | 5.4 | 17.7 | 73 | 44.59 | 55 | |||||||||
| IS65/260A | 2900 | 69.5 | 19.3 | 306.0 | 92 | 301.8 | 3.25 | 10.7 | 65 | 26.79 | 37 | y225m-2 45kW | 255 | |||||
| 116 | 32.2 | 510.7 | 86 | 282.2 | 4.4 | 14.4 | 70 | 38.81 | 45 | |||||||||
| 139 | 38.6 | 612.0 | 79 | 259.2 | 4.95 | 16.2 | 72 | 41.53 | 45 | |||||||||
| IS65/260B | 2900 | 67 | 18.6 | 295.0 | 82.5 | 270.7 | 3.2 | 10.5 | 63 | 23.89 | 30 | y225m-24 5kW | 245 | |||||
| 111.5 | 31.0 | 490.9 | 76 | 249.3 | 4.25 | 13.9 | 71 | 32.50 | 37 | |||||||||
| 133.5 | 371 | 587.8 | 71 | 232.9 | 4.95 | 16.2 | 70 | 36.88 | 45 | |||||||||
| IS65/320H | 2900 | 81 | 22.5 | 356.6 | 147 | 482.3 | 3.8 | 12.5 | 54 | 60.05 | 75 | Y315S-2 110kW | 329 | 80 | 65 | 125 | 100 | 110 |
| 135 | 375 | 594.4 | 131 | 429.8 | 4.4 | 14.4 | 63 | 76.45 | 90 | |||||||||
| 162 | 45.0 | 713.3 | 115 | 377.3 | 5.5 | 18.0 | 60 | 84.56 | 110 | |||||||||
| IS65/320HA | 2900 | 75 | 20.8 | 330.2 | 120 | 393.7 | 3.7 | 12.1 | 55 | 44.56 | 55 | y280m-2 90kW | 300 | |||||
| 125 | 34.7 | 550.4 | 108 | 354.3 | 4.3 | 14.1 | 62 | 59.30 | 75 | |||||||||
| 150 | 41.7 | 660.4 | 97 | 318.2 | 5.2 | 171 | 58 | 68.32 | 90 | |||||||||
| IS65/3 IS20HB | 2900 | 69 | 19.2 | 303.8 | 107 | 351.0 | 3.5 | 11.5 | 59 | 34.08 | 45 | Y280S-2 75kW | 280 | |||||
| 115 | 31.9 | 506.3 | 94 | 308.4 | 4.3 | 14.1 | 61 | 48.26 | 55 | |||||||||
| 138 | 38.3 | 607.6 | 83 | 272.3 | 4.8 | 15.7 | 54 | 57.76 | 75 | |||||||||
| IS80/160 IS80/160G | 2900 | 100 | 27.8 | 440.3 | 39.5 | 129.6 | 3.3 | 10.8 | 71 | 15.15 | 18.5 | Y200L1-2 30kW | 174 | 100 | 80 | 150 | 125 | 54 |
| 162 | 45.0 | 713.3 | 35 | 114.8 | 4.3 | 14.1 | 78 | 19.80 | 22 | |||||||||
| 195 | 54.2 | 858.6 | 31 | 101.7 | 5.2 | 17.1 | 75 | 21.95 | 30 | |||||||||
| IS80/160A IS80/160GA | 2900 | 95 | 26.4 | 418.3 | 33 | 108.3 | 3.3 | 10.8 | 65 | 13.13 | 18.5 | y180m-2 22kW | 165 | |||||
| 153.5 | 42.6 | 675.8 | 28 | 91.9 | 3.85 | 12.6 | 72 | 16.26 | 18.5 | |||||||||
| 185 | 51.4 | 814.5 | 24 | 78.7 | 4.6 | 15.1 | 68 | 17.78 | 22 | |||||||||
| IS80/160BX S80/160GB | 2900 | 89 | 24.7 | 391.9 | 29.5 | 96.8 | 3.25 | 10.7 | 64 | 11.17 | 15 | Y160L-2 18.5kW | 155 | |||||
| 144.5 | 40.1 | 636.2 | 25 | 82.0 | 3.7 | 12.1 | 74 | 13.29 | 15 | |||||||||
| 174 | 48.3 | 766.1 | 21 | 68.9 | 4.3 | 14.1 | 70 | 14.22 | 18.5 | |||||||||
| IS80/200 | 2900 | 115 | 31.9 | 506.3 | 60 | 196.9 | 3.2 | 10.5 | 70 | 26.84 | 37 | y225m-2 45kW | 214 | 100 | 80 | 150 | 125 | 70 |
| 190 | 52.8 | 836.5 | 55 | 180.4 | 5.1 | 16.7 | 78 | 36.49 | 45 | |||||||||
| 225 | 62.5 | 990.6 | 50 | 164.0 | 6.5 | 21.3 | 74.5 | 41.12 | 45 | |||||||||
| IS80/200A | 2900 | 110 | 30.6 | 484.3 | 57 | 187.0 | 4 | 13.1 | 68 | 25.11 | 30 | y225m-2 45kW | 205 | |||||
| 182 | 50.6 | 801.3 | 53.5 | 175.5 | 4.9 | 16.1 | 77 | 34.44 | 37 | |||||||||
| 215.5 | 599 | 948.8 | 44.5 | 146.0 | 5.85 | 19.2 | 70 | 37.31 | 45 | |||||||||
| IS80/200B | 2900 | 105 | 29.2 | 462.3 | 49.5 | 162.4 | 4 | 13.1 | 68 | 20.82 | 30 | Y200L2-2 37kW | 195 | |||||
| 173 | 48.1 | 761.7 | 45 | 147.6 | 4.7 | 15.4 | 76 | 2790 | 30 | |||||||||
| 205 | 56.9 | 902.6 | 40 | 131.2 | 5.5 | 18.0 | 70 | 31.90 | 37 | |||||||||
| IS80/260 | 2900 | 115 | 31.9 | 506.3 | 97 | 318.2 | 3.8 | 12.5 | 65 | 46.74 | 55 | Y280S-2 75kW | 264 | 100 | 80 | 150 | 125 | 91 |
| 190 | 52.8 | 836.5 | 88 | 288.7 | 6.1 | 20.0 | 75 | 60.71 | 75 | |||||||||
| 225 | 62.5 | 990.6 | 81 | 265.7 | 8 | 26.2 | 73.5 | 67.53 | 75 | |||||||||
| IS80/260A | 2900 | 111 | 30.8 | 488.7 | 91.5 | 300.2 | 3.95 | 13.0 | 63 | 43.90 | 55 | Y280S-2 75kW | 255 | |||||
| 83.5 | 51.0 | 8079 | 81.5 | 2674 | 5.2 | 171 | 75 | 54.30 | 75 | |||||||||
| 217.5 | 60.4 | 957.6 | 73 | 239.5 | 6.25 | 20.5 | 73 | 59.23 | 75 | |||||||||
| IS80/260B | 2900 | 106.5 | 29.6 | 468.9 | 79 | 259.2 | 3.9 | 12.8 | 61 | 37.56 | 45 | Y280S-2 75kW | 245 | |||||
| 176.5 | 49.0 | 777.1 | 68.5 | 224.7 | 5 | 16.4 | 73 | 45.10 | 55 | |||||||||
| 209 | 58.1 | 920.2 | 60 | 196.9 | 6 | 19.7 | 71 | 48.10 | 75 | |||||||||
| IS80/320H | 2900 | 126 | 35.0 | 554.8 | 146 | 479.0 | 5.6 | 18.4 | 64 | 78.28 | 90 | y315m-2 132kW | 329 | 100 | 80 | 150 | 125 | 120 |
| 210 | 58.3 | 924.6 | 134 | 439.6 | 6.3 | 20.7 | 74 | 103.56 | 132 | |||||||||
| 252 | 70.0 | 1109.5 | 121 | 397.0 | 7 | 23.0 | 73 | 113.75 | 132 | |||||||||
| S80/320HA | 2900 | 117 | 32.5 | 515.1 | 125 | 410.1 | 6.1 | 20.0 | 62 | 64.24 | 75 | Y315S-2 110kW | 300 | |||||
| 195 | 54.2 | 858.6 | 114 | 374.0 | 6.3 | 20.7 | 73 | 82.93 | 90 | |||||||||
| 234 | 65.0 | 1030.3 | 103 | 3379 | 6.9 | 22.6 | 72 | 91.16 | 110 | |||||||||
| IS80/320HB | 2900 | 108 | 30.0 | 475.5 | 104 | 341.2 | 5 | 16.4 | 64 | 4779 | 55 | y280m-2 90kW | 280 | 100 | 80 | 150 | 125 | 120 |
| 180 | 50.0 | 792.5 | 95 | 311.7 | 5.8 | 19.0 | 73 | 63.79 | 75 | |||||||||
| 216 | 60.0 | 951.0 | 85 | 278.9 | 6.3 | 20.7 | 70 | 71.43 | 90 | |||||||||
| IS100/200 | 2900 | 180 | 50.0 | 792.5 | 61 | 200.1 | 4 | 13.1 | 72 | 41.53 | 55 | Y280S-2 75kW | 214 | 125 | 100 | 200 | 150 | 85 |
| 295 | 81.9 | 1298.8 | 51.5 | 169.0 | 5.8 | 19.0 | 79 | 52.37 | 75 | |||||||||
| 340 | 94.4 | 1497.0 | 42 | 1378 | 7 | 23.0 | 74 | 52.55 | 75 | |||||||||
| IS100/200A | 2900 | 172.5 | 479 | 759.5 | 51 | 167.3 | 3.95 | 13.0 | 69 | 34.72 | 45 | y250m-2 55kW | 205 | |||||
| 273 | 75.8 | 202.0 | 42 | 137.8 | 4.9 | 16.1 | 74 | 42.20 | 55 | |||||||||
| 325.5 | 90.4 | 1433.1 | 36 | 118.1 | 5.95 | 19.5 | 69 | 46.25 | 55 | |||||||||
| IS100/200B | 2900 | 164 | 45.6 | 722.1 | 46 | 150.9 | 3.9 | 12.8 | 68 | 30.21 | 37 | y225m-2 45kW | 195 | |||||
| 260 | 72.2 | 1144.7 | 72 | 114.8 | 4.8 | 15.7 | 70 | 35.40 | 45 | |||||||||
| 310 | 86.1 | 364.9 | 31 | 101.7 | 5.6 | 18.4 | 67 | 39.06 | 45 | |||||||||
| คือ 100/260 | 2900 | 190 | 52.8 | 836.5 | 97 | 318.2 | 3.7 | 12.1 | 71 | 70.69 | 90 | Y315S-2 110kW | 264 | 125 | 100 | 200 | 150 | 115 |
| 295 | 81.9 | 1298.8 | 86 | 282.2 | 5.5 | 18.0 | 76 | 90.91 | 110 | |||||||||
| 350 | 97.2 | 1541.0 | 80 | 262.5 | 7.5 | 24.6 | 74 | 103.04 | 110 | |||||||||
| IS100/260A | 2900 | 183.5 | 51.0 | 8079 | 85.5 | 280.5 | 3.75 | 12.3 | 69 | 61.92 | 75 | Y315S-2 110kW | 255 | |||||
| 285 | 79.2 | 1254.8 | 75 | 246.1 | 5 | 16.4 | 74 | 78.66 | 90 | |||||||||
| 338 | 93.9 | 1488.2 | 66 | 216.5 | 6.2 | 20.3 | 71 | 85.57 | 110 | |||||||||
| IS100/260B | 2900 | 177 | 49.2 | 779.3 | 76 | 249.3 | 3.7 | 12.1 | 67 | 54.68 | 75 | y280m-2 90kW | 245 | |||||
| 274 | 76.1 | 1206.4 | 66 | 216.5 | 4.8 | 15.7 | 72 | 68.40 | 90 | |||||||||
| 325 | 90.3 | 1430.9 | 58 | 190.3 | 5.9 | 194 | 68 | 75.49 | 90 | |||||||||
| IS32/130 | 1450 | 4.5 | 1.3 | 19.8 | 6 | 19.7 | 0.62 | 2.0 | 35 | 0.21 | 0.55 | Y801-4 0.55kW | 139 | 50 | 32 | / | 27.5 | |
| 7.5 | 2.1 | 33.0 | 5.5 | 18.0 | 0.75 | 2.5 | 46 | 0.24 | 0.55 0.55 | |||||||||
| 9 | 2.5 | 39.6 | 5 | 16.4 | 0.9 | 3.0 | 49 | 0.25 | ||||||||||
| IS32/160 | 1450 | 5.4 | 1.5 | 23.8 | 9.5 | 31.2 | 0.7 | 2.3 | 42 | 0.33 | 0.55 | Y801-4 0.55kW | 174 | 50 | 32 | / | 35 | |
| 9 | 2.5 | 39.6 | 9 | 29.5 | 1 | 3.3 | 48 | 0.46 | 0.55 | |||||||||
| 10.8 | 3.0 | 47.6 | 8.3 | 27.2 | 1.4 | 4.6 | 49.5 | 0.49 | 0.55 | |||||||||
| IS32/200 | 1450 | 6 | 1.7 | 26.4 | 16.3 | 53.5 | 0.8 | 2.6 | 40 | 0.67 | 0.75 | Y90S-4 1.1kW | 214 | 50 | 32 | / | 41 | |
| 9 | 2.5 | 39.6 | 15.4 | 50.5 | 1 | 3.3 | 48 | 0.79 | 1.1 | |||||||||
| 10.8 | 3.0 | 47.6 | 14.5 | 47.6 | 1.2 | 3.9 | 51 | 0.84 | 1.1 | |||||||||
| IS32/260 | 1450 | 7.2 | 2.0 | 31.7 | 25 | 82.0 | 0.85 | 2.8 | 30 | 1.63 | 2.2 | Y100L2-4 3kW | 264 | 0 | 32 | / | / | 59 |
| 12 | 3.3 | 52.8 | 23.5 | 771 | 1.6 | 5.2 | 395 | 1.94 | 3 | |||||||||
| 14.4 | 4.0 | 63.4 | 22 | 72.2 | 2.3 | 7.5 | 42 | 2.05 | 3 | |||||||||
| IS40/130 | 1450 | 10.8 | 3.0 | 476 | 6.5 | 21.3 | 0.6 | 2.0 | 57 | 0.34 | 0.55 | Y801-4 0.55kW | 139 | 65 | 40 | / | 30 | |
| 18 | 5.0 | 79.3 | 5.8 | 19.0 | 0.9 | 3.0 | 67 | 0.42 | 0.55 | |||||||||
| 21.6 | 6.0 | 95.1 | 5.4 | 17.7 | 1.3 | 4.3 | 67 | 0.47 | 0.55 | |||||||||
| IS40/160 | 1450 | 10.8 | 3.0 | 476 | 10.2 | 33.5 | 0.9 | 3.0 | 55 | 0.55 | 0.75 | Y90S-4 1.1kW | 174 | 65 | 40 | / | / | 36 |
| 18 | 5.0 | 79.3 | 8.8 | 28.9 | 1.4 | 4.6 | 62 | 0.70 | 1.1 | |||||||||
| 21.6 | 6.0 | 95.1 | 7.8 | 25.6 | 1.8 | 5.9 | 60 | 0.76 | 1.1 | |||||||||
| IS40/200 | 1450 | 10.8 | 3.0 | 47.6 | 16.2 | 53.1 | 1.1 | 3.6 | 50 | 0.95 | 1.1 | y90l-4 1.5kW | 214 | 65 | 40 | / | 44 | |
| 18 | 5.0 | 79.3 | 14 | 45.9 | 1.3 | 4.3 | 56 | 1.23 | 1.5 | |||||||||
| 21.6 | 6.0 | 95.1 | 12.4 | 40.7 | 1.5 | 4.9 | 55 | 1.33 | 1.5 | |||||||||
| IS40/260 | 1450 | 12.6 | 3.5 | 55.5 | 24 | 78.7 | 0.85 | 2.8 | 42 | 1.96 | 2.2 | Y100L2-4 3kW | 264 | 65 | 40 | 65 | 61 | |
| 21 | 5.8 | 92.5 | 22 | 72.2 | 1.3 | 4.3 | 52 | 2.42 | 3 | |||||||||
| 25.2 | 7.0 | 111.0 | 20 | 65.6 | 1.8 | 5.9 | 52.5 | 2.61 | 3 | |||||||||
| IS40/320 | 1450 | 10.5 | 2.9 | 46.2 | 38 | 124.7 | 0.9 | 3.0 | 30 | 3.62 | 4 | Y132S-4 5.5kW | 329 | 65 | 40 | / | 65 | 96 |
| 17 | 4.7 | 74.8 | 37.5 | 123.0 | 1.3 | 4.3 | 42 | 4.13 | 5.5 | |||||||||
| 20.5 | 5.7 | 90.3 | 37 | 121.4 | 1.6 | 5.2 | 45 | 4.59 | 5.5 | |||||||||
| IS40/320A | 1450 | 10 | 2.8 | 44.0 | 34.5 | 113.2 | 3.3 | 10.8 | 30.5 | 3.08 | 4 | Y132S-4 5.5kW | 315 | |||||
| 16.5 | 4.6 | 72.6 | 32 | 105.0 | 2 | 6.6 | 38.5 | 3.73 | 5.5 | |||||||||
| 20 | 5.6 | 88.1 | 29 | 95.1 | 2.9 | 9.5 | 37.5 | 4.21 | 5.5 | |||||||||
| IS40/320B | 1450 | 9 | 2.5 | 39.6 | 31 | 101.7 | 3.6 | 11.8 | 29 | 2.62 | 4 | Y132S-4 5.5kW | 300 | |||||
| 14.4 | 4.0 | 63.4 | 29 | 95.1 | 2 | 6.6 | 37 | 3.07 | 4 | |||||||||
| 18 | 5.0 | 79.3 | 26 | 85.3 | 2.7 | 8.9 | 36 | 3.54 | 5.5 | |||||||||
| IS.50/130 | 1450 | 18 | 5.0 | 79.3 | 6.6 | 21.7 | 1.2 | 3.9 | 60 | 0.54 | 0.75 | Y90S-4 1.1kW | 139 | 65 | 50 | 80 | 65 | 34 |
| 30 | 8.3 | 132.1 | 6.3 | 20.7 | 1.6 | 5.2 | 75.5 | 0.68 | 0.75 | |||||||||
| 36 | 10.0 | 158.5 | 5.7 | 18.7 | 1.9 | 6.2 | 74 | 0.76 | 1.1 | |||||||||
| IS50/160 | 1450 | 19.2 | 5.3 | 84.5 | 10.4 | 34.1 | 1.25 | 4.1 | 64 | 0.85 | 1.1 | y90l-4 1.5kW | 174 | 65 | 50 | 80 | 65 | 38 |
| 32 | 8.9 | 140.9 | 9.8 | 32.2 | 1.7 | 5.6 | 75 | 1.14 | 1.5 | |||||||||
| 38.4 | 10.7 | 169.1 | 9.4 | 30.8 | 2 | 6.6 | 74.5 | 1.32 | 1.5 | |||||||||
| IS50/200 | 1450 | 18 | 5.0 | 79.3 | 16 | 52.5 | 1.4 | 4.6 | 58 | 1.35 | 1.5 | Y100L1-4 2.2kw | 214 | 65 | 50 | 80 | 65 | 46 |
| 30 | 8.3 | 132.1 | 14 | 45.9 | 1.8 | 5.9 | 64 | 1.79 | 2.2 | |||||||||
| 36 | 10.0 | 158.5 | 13.5 | 44.3 | 2.1 | 6.9 | 65 | 2.04 | 2.2 | |||||||||
| คือ 50/260 | 1450 | 19 | 5.3 | 83.7 | 25 | 82.0 | 0.9 | 3.0 | 52.5 | 2.46 | 3 | Y132S-4 5.5kW | 264 | 65 | 50 | 80 | 65 | 63 |
| 32 | 8.9 | 140.9 | 24 | 78.7 | 1.5 | 4.9 | 64.5 | 3.24 | 4 | |||||||||
| 38 | 10.6 | 1673 | 23 | 75.5 | 2 | 6.6 | 66.5 | 3.58 | 5.5 | |||||||||
| IS.50/320 | 1450 | 24 | 6.7 | 105.7 | 37 | 121.4 | 2 | 6.6 | 47 | 5.15 | 7.5 | Y160M-4 11kW | 329 | 65 | 50 | 80 | 65 | 101 |
| 40 | 11.1 | 176.1 | 34 | 111.5 | 2.3 | 7.5 | 58 | 6.39 | 7.5 | |||||||||
| 48 | 13.3 | 211.3 | 32 | 105.0 | 2.5 | 8.2 | 59 | 7.09 | 11 | |||||||||
| IS.50/320A | 1450 | 23 | 6.4 | 101.3 | 32.5 | 106.6 | 2 | 6.6 | 45 | 4.52 | 5.5 | Y132M-4 7.5kW | 315 | |||||
| 38.5 | 10.7 | 169.5 | 30.5 | 100.1 | 2.4 | 7.9 | 56 | 5.71 | 7.5 | |||||||||
| 46 | 12.8 | 202.5 | 28.5 | 93.5 | 3 | 9.8 | 55 | 6.49 | 7.5 | |||||||||
| IS.50/320B | 1450 | 22 | 6.1 | 96.9 | 29.5 | 96.8 | 2 | 6.6 | 42 | 4.21 | 5.5 | Y132M-4 7.5kW | 300 | |||||
| 36.5 | 10.1 | 160.7 | 27.5 | 90.2 | 2.3 | 7.5 | 54 | 5.06 | 7.5 | |||||||||
| 44 | 12.2 | 193.7 | 26 | 85.3 | 2.8 | 9.2 | 55 | 5.66 | 7.5 | |||||||||
| IS65/130 | 1450 | 21.6 | 6.0 | 95.1 | 6.7 | 22.0 | 1.2 | 3.9 | 50 | 0.79 | 1.1 | y90l-4 1.5kW | 139 | 80 | 65 | 100 | 80 | 39 |
| 36 | 10.0 | 158.5 | 6.4 | 21.0 | 1.35 | 4.4 | 66 | 0.95 | 1.1 | |||||||||
| 43.2 | 12.0 | 190.2 | 6 | 19.7 | 1.5 | 4.9 | 69 | 1.02 | 1.5 | |||||||||
| IS65/160 | 1450 | 32.4 | 9.0 | 142.7 | 10 | 32.8 | 1.1 | 3.6 | 64 | 1.38 | 2.2 | Y100L1-4 2.2kw | 174 | 80 | 65 | 100 | 80 | 43 |
| 54 | 15.0 | 2378 | 9.2 | 30.2 | 1.3 | 4.3 | 78 | 1.73 | 2.2 | |||||||||
| 64.8 | 18.0 | 285.3 | 8.4 | 27.6 | 1.5 | 4.9 | 81.5 | 1.82 | 2.2 | |||||||||
| IS65/200 | 1450 | 35 | 9.7 | 154.1 | 16.4 | 53.8 | 1.8 | 5.9 | 66 | 2.37 | 3 | y112m-4 4kW | 214 | 80 | 65 | 125 | 80 | 70 |
| 55 | 15.3 | 242.2 | 15 | 49.2 | 2.4 | 79 | 76.5 | 2.94 | 4 | |||||||||
| 66 | 18.3 | 290.6 | 13.5 | 44.3 | 2.7 | 8.9 | 77.5 | 3.13 | 4 | |||||||||
| IS65/260 | 1450 | 43.2 | 12.0 | 190.2 | 25.3 | 83.0 | 1.7 | 5.6 | 66.5 | 4.48 | 5.5 | Y132M-4 7.5kW | 264 | 80 | 65 | 125 | 80 | 81 |
| 72 | 20.0 | 3170 | 21.5 | 70.5 | 2.5 | 8.2 | 73.5 | 5.74 | 7.5 | |||||||||
| 86.4 | 24.0 | 380.4 | 18.5 | 60.7 | 3.2 | 10.5 | 68 | 6.40 | 7.5 | |||||||||
| IS65/320 | 1450 | 43.2 | 12.0 | 190.2 | 37.5 | 123.0 | 0.7 | 2.3 | 59 | 748 | 11 | Y160L-4 15kW | 329 | 80 | 65 | 125 | 80 | 110 |
| 72 | 20.0 | 317.0 | 33 | 108.3 | 1.6 | 5.2 | 67 | 9.66 | 15 | |||||||||
| 86.4 | 24.0 | 380.4 | 29 | 95.1 | 2.4 | 79 | 65 | 10.50 | 15 | |||||||||
| IS65/320A | 1450 | 37 | 10.3 | 162.9 | 34.5 | 113.2 | 1.9 | 6.2 | 55 | 6.32 | 11 | Y160M-4 11kW | 315 | 125 | 80 | 110 | ||
| 62 | 17.2 | 273.0 | 32 | 105.0 | 2 | 6.6 | 65 | 8.31 | 11 | |||||||||
| 74.5 | 20.7 | 328.0 | 28 | 91.9 | 2.3 | 7.5 | 62 | 9.16 | 11 | |||||||||
| IS65/320B | 1450 | 34 | 9.4 | 149.7 | 30.5 | 100.1 | 2 | 6.6 | 47 | 6.01 | 7.5 | Y160M-4 11kW | 300 | |||||
| 56.5 | 15.7 | 248.8 | 28 | 91.9 | 2 | 6.6 | 59 | 7.30 | 11 | |||||||||
| 68 | 18.9 | 2994 | 25.5 | 83.7 | 2.1 | 6.9 | 59 | 8.00 | 11 | |||||||||
| IS80/160 | 1450 | 48 | 13.3 | 211.3 | 10.5 | 34.4 | 1.7 | 5.6 | 62.5 | 2.20 | 3 | y112m-4 4kW | 174 | 100 | 80 | 150 | 100 | 54 |
| 80 | 22.2 | 352.2 | 10 | 32.8 | 2.1 | 6.9 | 76 | 2.87 | 4 | |||||||||
| 96 | 26.7 | 422.7 | 9.3 | 30.5 | 2.4 | 7.9 | 77 | 3.16 | 4 | |||||||||
| IS80/200 | 1450 | 63 | 17.5 | 2774 | 15.7 | 51.5 | 1.8 | 5.9 | 75 | 3.59 | 5.5 | Y132M-4 7.5kW | 214 | 100 | 80 | 150 | 100 | 70 |
| 105 | 29.2 | 462.3 | 14 | 45.9 | 2.6 | 8.5 | 82 | 4.88 | 7.5 | |||||||||
| 126 | 35.0 | 554.8 | 12.8 | 42.0 | 3.4 | 11.2 | 78 | 5.63 | 7.5 | |||||||||
| IS80/260 | 1450 | 63 | 17.5 | 2774 | 24 | 78.7 | 1.3 | 4.3 | 70 | 5.88 | 7.5 | Y160M-4 11kW | 264 | 100 | 80 | 150 | 100 | 91 |
| 105 | 29.2 | 462.3 | 21 | 68.9 | 1.9 | 6.2 | 76 | 790 | 11 | |||||||||
| 126 | 35.0 | 554.8 | 18.5 | 60.7 | 2.3 | 7.5 | 72 | 8.82 | 11 | |||||||||
| IS80/320 | 1450 | 60 | 16.7 | 264.2 | 36 | 118.1 | 1.9 | 6.2 | 62.5 | 9.41 | 15 | y180m-4 18.5kW | 329 | 100 | 80 | 125 | 100 | 120 |
| 100 | 27.8 | 440.3 | 33 | 108.3 | 2 | 6.6 | 71 | 12.66 | 15 | |||||||||
| 120 | 33.3 | 528.3 | 30 | 98.4 | 2.6 | 8.5 | 69.5 | 14.11 | 18.5 | |||||||||
| IS80/320A | 1450 | 57.5 | 16.0 | 253.2 | 34 | 111.5 | 1.9 | 6.2 | 58 | 9.18 | 11 | "Y160L-4 15kW | 315 | |||||
| 95.5 | 26.5 | 420.5 | 29.5 | 96.8 | 2 | 6.6 | 69 | 11.12 | 15 | |||||||||
| 114.5 | 31.8 | 504.1 | 26 | 85.3 | 2.3 | 7.5 | 68 | 11.92 | 15 | |||||||||
| IS80/320B | 1450 | 54.5 | 15.1 | 240.0 | 30.5 | 100.1 | 1.9 | 6.2 | 56 | 8.08 | 11 | Y160L-4 15kW | 300 | |||||
| 91 | 25.3 | 400.7 | 27.5 | 90.2 | 2 | 6.6 | 67 | 10.17 | 15 | |||||||||
| 109 | 30.3 | 4799 | 25 | 82.0 | 2.2 | 72 | 66 | 11.24 | 15 | |||||||||
| IS80/400 | 1450 | 60 | 16.7 | 264.2 | 59 | 193.6 | 1.5 | 4.9 | 55.5 | 17.37 | 22 | Y200L-4 30kW | 409 | 100 | 80 | 125 | 100 | 161 |
| 100 | 27.8 | 440.3 | 55.5 | 182.1 | 2.3 | 7.5 | 65.5 | 23.08 | 30 | |||||||||
| 120 | 33.3 | 528.3 | 52.5 | 172.2 | 2.5 | 8.2 | 66.5 | 25.80 | 30 | |||||||||
| IS80/400A | 1450 | 59 | 16.4 | 259.8 | 55 | 180.4 | 2.2 | 7.2 | 55 | 16.07 | 22 | Y200L-4 30kW | 395 | |||||
| 96.5 | 26.8 | 424.9 | 52.5 | 172.2 | 2.4 | 79 | 64 | 21.56 | 30 | |||||||||
| 116 | 32.2 | 510.7 | 49 | 160.8 | 3.2 | 10.5 | 63 | 24.57 | 30 | |||||||||
| IS80/400B | 1450 | 56 | 15.6 | 246.6 | 51 | 167.3 | 2.2 | 7.2 | 54 | 14.40 | 18.5 | Y200L-4 30kW | 380 | 100 | 80 | 125 | 100 | 161 |
| 93 | 25.8 | 409.5 | 49 | 160.8 | 2.4 | 79 | 66 | 18.80 | 22 | |||||||||
| 111.5 | 31.0 | 490.9 | 47 | 154.2 | 3 | 9.8 | 68 | 20.99 | 30 | |||||||||
| IS100/200 | 1450 | 90 | 25.0 | 396.3 | 15 | 49.2 | 1.3 | 4.3 | 80 | 4.60 | 7.5 | Y160M-4 11kW | 214 | 125 | 100 | 200 | 125 | 85 |
| 142 | 39.4 | 625.2 | 12.7 | 41.7 | 1.8 | 5.9 | 82 | 5.99 | 7.5 | |||||||||
| 170 | 47.2 | 748.5 | 10.5 | 34.4 | 2 | 6.6 | 74.5 | 6.52 | 11 | |||||||||
| IS100/260 | 1450 | 99 | 275 | 435.9 | 24 | 78.7 | 1.5 | 4.9 | 76 | 8.51 | 11 | Y160L-4 15kW | 264 | 125 | 100 | 200 | 125 | 115 |
| 165 | 45.8 | 726.5 | 21 | 68.9 | 2.3 | 7.5 | 81.5 | 11.58 | 15 | |||||||||
| 198 | 55.0 | 871.8 | 19 | 62.3 | 2.8 | 9.2 | 75 | 13.66 | 15 | |||||||||
| IS100/320 | 1450 | 81 | 22.5 | 356.6 | 39 | 128.0 | 1.1 | 3.6 | 72 | 11.95 | 15 | Y180L-4 22kW | 329 | 125 | 100 | 150 | 125 | 134 |
| 135 | 37.5 | 594.4 | 33.5 | 1099 | 1.6 | 5.2 | 80 | 15.40 | 22 | |||||||||
| 162 | 45.0 | 713.3 | 30 | 98.4 | 1.9 | 6.2 | 76.5 | 17.30 | 22 | |||||||||
| ISI00/320A | 1450 | 77.5 | 21.5 | 341.2 | 34 | 111.5 | 2 | 6.6 | 70 | 10.25 | 15 | y180m-4 18.5kW | 315 | |||||
| 130 | 36.1 | 572.4 | 29.5 | 96.8 | 2 | 6.6 | 76 | 13.74 | 18.5 | |||||||||
| 155 | 43.1 | 682.4 | 26.5 | 86.9 | 2.18 | 7.2 | 73 | 15.32 | 18.5 | |||||||||
| IS100/320B | 1450 | 73.5 | 20.4 | 323.6 | 30 | 98.4 | 2 | 6.6 | 67 | 8.96 | 15 | Y160L-4 15kW | 300 | |||||
| 123 | 34.2 | 541.6 | 27 | 88.6 | 2 | 6.6 | 76 | 11.90 | 15 | |||||||||
| 147.5 | 41.0 | 649.4 | 23 | 75.5 | 2.1 | 6.9 | 71 | 13.01 | 15 | |||||||||
| IS100/400 | 1450 | 90 | 25.0 | 396.3 | 58.8 | 192.9 | 0.9 | 3.0 | 60.5 | 23.82 | 30 | Y225S-4 37kW | 409 | 125 | 100 | 150 | 125 | 174 |
| 150 | 41.7 | 660.4 | 51 | 167.3 | 1.6 | 5.2 | 67.5 | 30.86 | 37 | |||||||||
| 180 | 50.0 | 792.5 | 44 | 144.4 | 2.1 | 6.9 | 64.5 | 33.44 | 45 | |||||||||
| IS100/400A | 1450 | 87 | 24.2 | 383.0 | 54 | 177.2 | 1.7 | 5.6 | 56 | 22.85 | 30 | y225m-4 45kW | 395 | |||||
| 145 | 40.3 | 638.4 | 48 | 157.5 | 2 | 6.6 | 66 | 28.72 | 37 | |||||||||
| 175 | 48.6 | 770.5 | 42 | 1378 | 2.5 | 8.2 | 66.4 | 30.15 | 37 | |||||||||
| IS100/400B | 1450 | 84 | 23.3 | 369.8 | 49.5 | 162.4 | 1.7 | 5.6 | 54 | 20.97 | 30 | Y225S-4 37kW | 380 | |||||
| 139.5 | 38.8 | 614.2 | 45 | 147.6 | 1.9 | 6.2 | 64 | 26.71 | 37 | |||||||||
| 167.5 | 46.5 | 737.5 | 41 | 134.5 | 2.4 | 7.9 | 64 | 29.22 | 37 | |||||||||
| IS125/200 | 1450 | 115 | 31.9 | 506.3 | 15.2 | 499 | 2.6 | 8.5 | 62 | 7.68 | 11 | Y160M-4 11kW | 214 | 150 | 125 | 200 | 150 | 106 |
| 190 | 52.8 | 836.5 | 13 | 42.7 | 3.5 | 11.5 | 77 | 8.74 | 11 | |||||||||
| 230 | 63.9 | 1012.7 | 11.5 | 377 | 4 | 13.1 | 76.5 | 942 | 11 | |||||||||
| IS125/260 | 1450 | 144 | 40.0 | 634.0 | 24.2 | 794 | 1.5 | 4.9 | 74 | 12.82 | 18.5 | Y180L-4 22kW | 264 | 150 | 125 | 200 | 150 | 115 |
| 240 | 66.7 | 1056.7 | 21 | 68.9 | 2.4 | 79 | 81 | 16.95 | 22 | |||||||||
| 288 | 80.0 | 1268.0 | 17 | 55.8 | 2.8 | 9.2 | 72 | 18.52 | 22 | |||||||||
| IS125/260A | 1450 | 139 | 38.6 | 612.0 | 21.3 | 69.9 | 2.3 | 7.5 | 68 | 11.86 | 15 | y180m-4 18.5kW | 255 | |||||
| 232 | 64.4 | 1021.5 | 18 | 59.1 | 2.5 | 8.2 | 79 | 14.40 | 18.5 | |||||||||
| 278.5 | 774 | 1226.2 | 15.4 | 50.5 | 3 | 9.8 | 75 | 15.57 | 18.5 | |||||||||
| IS125/260B | 1450 | 134 | 37.2 | 590.0 | 19.7 | 64.6 | 2.3 | 7.5 | 74 | 9.71 | 15 | y180m-4 18.5kW | 245 | |||||
| 223 | 61.9 | 981.8 | 16 | 52.5 | 2.4 | 79 | 76 | 12.79 | 18.5 | |||||||||
| 267.5 | 74.3 | 1177.8 | 13.4 | 44.0 | 2.8 | 9.2 | 68 | 14.36 | 18.5 | |||||||||
| IS125/320 | 1450 | 120 | 33.3 | 528.3 | 35 | 114.8 | 1.3 | 4.3 | 67.5 | 16.95 | 22 | Y200L-4 30kW | 329 | 150 | 125 | 200 | 150 | 163 |
| 200 | 55.6 | 880.6 | 32.5 | 106.6 | 2 | 6.6 | 79 | 22.41 | 30 | |||||||||
| 240 | 66.7 | 1056.7 | 30 | 98.4 | 2.6 | 8.5 | 78 | 25.14 | 30 | |||||||||
| IS125/320A | 1450 | 115 | 31.9 | 506.3 | 32.8 | 107.6 | 2.15 | 7.1 | 68 | 15.11 | 18.5 | Y200L-4 30kW | 315 | |||||
| 191 | 53.1 | 840.9 | 29.5 | 96.8 | 1.95 | 6.4 | 77 | 19.93 | 30 | |||||||||
| 229 | 63.6 | 1008.3 | 27.5 | 90.2 | 2.4 | 7.9 | 75 | 22.87 | 30 | |||||||||
| IS125/320B | 1450 | 109 | 30.3 | 4799 | 29 | 95.1 | 2.2 | 7.2 | 72.5 | 11.87 | 18.5 | Y180L-4 22kW | 300 | |||||
| 182 | 50.6 | 801.3 | 25.2 | 82.7 | 2 | 6.6 | 76 | 16.43 | 22 | |||||||||
| 218.5 | 60.7 | 962.0 | 23 | 75.5 | 2.2 | 7.2 | 74 | 18.49 | 22 | |||||||||
| IS125/400 | 1450 | 144 | 40.0 | 634.0 | 59.5 | 195.2 | 1.3 | 4.3 | 77 | 30.30 | 45 | Y280S-4 75kW | 409 | 150 | 125 | 200 | 150 | 181 |
| 245 | 68.1 | 1078.7 | 52 | 170.6 | 2.1 | 6.9 | 76.5 | 45.35 | 55 | |||||||||
| 300 | 83.3 | 13209 | 45 | 147.6 | 2.8 | 9.2 | 70.5 | 52.15 | 75 | |||||||||
| IS125/400A | 1450 | 139 | 38.6 | 612.0 | 53.5 | 175.5 | 2.2 | 7.2 | 64.5 | 31.40 | 37 | Y250M-4 55kW | 395 | |||||
| 236.5 | 65.7 | 041.3 | 46 | 150.9 | 2.4 | 79 | 74 | 40.04 | 55 | |||||||||
| 289 | 80.3 | 72.4 | 38.5 | 26.3 | 3 | 9.8 | 67 | 45.23 | 55 | |||||||||
| IS125/400B | 1450 | 133.5 | 371 | 587.8 | 51 | 1673 | 2.2 | 7.2 | 64 | 28.97 | 37 | Y250M-4 55kW | 380 | 150 | 125 | 200 | 150 | 181 |
| 227.5 | 63.2 | 001.7 | 40 | 131.2 | 2.3 | 7.5 | 70.5 | 35.15 | 45 | |||||||||
| 278.5 | 77.4 | 226.2 | 32.5 | 106.6 | 2.8 | 9.2 | 61 | 40.41 | 55 | |||||||||
| IS125/500 | 1450 | 150 | 41.7 | 660.4 | 83.5 | 274.0 | 2.3 | 7.5 | 63 | 54.14 | 75 | Y315S-4 110kW | 500 | 150 | 125 | 200 | 150 | 390 |
| 250 | 694 | 1100.7 | 78 | 255.9 | 2.5 | 8.2 | 72 | 73.76 | 90 | |||||||||
| 300 | 83.3 | 320.9 | 72 | 236.2 | 2.6 | 8.5 | 65 | 90.50 | 110 | |||||||||
| IS125/500A | 1450 | 135 | 37.5 | 594.4 | 78.5 | 257.5 | 1.8 | 5.9 | 60 | 48.10 | 55 | Y280S-4 75kW | 485 | |||||
| 225 | 62.5 | 990.6 | 75 | 246.1 | 2.1 | 6.9 | 74 | 62.10 | 75 | |||||||||
| 270 | 75.0 | 1188.8 | 71 | 232.9 | 2.5 | 8.2 | 76 | 68.69 | 75 | |||||||||
| IS125/500B | 1450 | 120 | 33.3 | 528.3 | 75 | 246.1 | 1.6 | 5.2 | 54 | 45.39 | 55 | Y280S-4 75kW | 470 | |||||
| 200 | 55.6 | 880.6 | 72 | 236.2 | 2 | 6.6 | 67 | 58.53 | 75 | |||||||||
| 240 | 66.7 | 1056.7 | 69 | 226.4 | 2.4 | 79 | 70 | 64.43 | 75 | |||||||||
| คือ 125/500C | 1450 | 90 | 25.0 | 396.3 | 67 | 219.8 | 1.6 | 5.2 | 50 | 32.84 | 37 | Y250M-4 55kW | 445 | |||||
| 150 | 41.7 | 660.4 | 65.5 | 214.9 | 2 | 6.6 | 64 | 41.81 | 45 | |||||||||
| 180 | 50.0 | 792.5 | 62 | 203.4 | 2.4 | 79 | 67 | 45.36 | 55 | |||||||||
| คือ 150/200 | 1450 | 216 | 60.0 | 951.0 | 14.4 | 472 | 3 | 9.8 | 70 | 12.10 | 15 | y180m-4 18.5kW | 220 | 200 | 150 | 250 | 200 | 156 |
| 360 | 100.0 | 1585.0 | 12.2 | 40.0 | 3.5 | 11.5 | 80 | 14.95 | 18.5 | |||||||||
| 424.8 | 118.0 | 870.3 | 10.3 | 33.8 | 4 | 13.1 | 77 | 15.47 | 18.5 | |||||||||
| คือ 150/200a | 1450 | 172.8 | 48.0 | 760.8 | 13.4 | 44.0 | 2.8 | 9.2 | 68 | 9.27 | 15 | Y160L-4 15kW | 210 | 200 | 150 | 250 | 200 | 156 |
| 288 | 80.0 | 268.0 | 12 | 39.4 | 3.3 | 10.8 | 78 | 12.07 | 15 | |||||||||
| 345.6 | 96.0 | 521.6 | 10.5 | 34.4 | 3.8 | 12.5 | 76 | 13.00 | 15 | |||||||||
| คือ 150/260 | 1450 | 194 | 53.9 | 854.2 | 23.5 | 77.1 | 2.7 | 8.9 | 75 | 16.55 | 22 | Y200I4 30kW | 264 | 200 | 150 | 250 | 200 | 148 |
| 324 | 90.0 | 426.5 | 20.5 | 673 | 3 | 9.8 | 82 | 22.06 | 30 | |||||||||
| 414 | 115.0 | 822.8 | 16 | 52.5 | 3.3 | 10.8 | 68 | 26.53 | 30 | |||||||||
| IS150/260A | 1450 | 180 | 50.0 | 792.5 | 21.2 | 69.6 | 2.5 | 8.2 | 72 | 14.43 | 18.5 | Y200L-4 30kW | 255 | |||||
| 300 | 83.3 | 320.9 | 19 | 62.3 | 2.8 | 9.2 | 79.5 | 19.53 | 30 | |||||||||
| 388.8 | 108.0 | 711.8 | 14.5 | 47.6 | 3.1 | 10.2 | 68 | 22.58 | 30 | |||||||||
| IS150/260B | 450 | 162 | 45.0 | 713.3 | 19 | 62.3 | 2.3 | 7.5 | 74 | 11.33 | 15 | Y180L-4 22kW | 240 | |||||
| 270 | 75.0 | 188.8 | 16.5 | 54.1 | 2.6 | 8.5 | 79 | 15.36 | 22 | |||||||||
| 342 | 95.0 | 505.8 | 12.5 | 41.0 | 3 | 9.8 | 68 | 17.12 | 22 | |||||||||
| คือ 150/320 | 1450 | 230 | 63.9 | 1012.7 | 36.5 | 119.8 | 2.3 | 7.5 | 74 | 30.89 | 37 | Y250M-4 55kW | 329 | 200 | 150 | 250 | 200 | 170 |
| 370 | 102.8 | 629.1 | 33 | 108.3 | 2.8 | 9.2 | 81 | 41.05 | 45 | |||||||||
| 445 | 123.6 | 959.3 | 28.5 | 93.5 | 3.2 | 10.5 | 75 | 46.05 | 55 | |||||||||
| คือ 150/320a | 1450 | 220 | 61.1 | 968.6 | 33.5 | 1099 | 2.8 | 9.2 | 72 | 27.88 | 37 | y225m-4 45kW | 315 | |||||
| 354 | 98.3 | 558.6 | 29.5 | 96.8 | 3.1 | 10.2 | 79 | 36.00 | 45 | |||||||||
| 426 | 118.3 | 875.6 | 25 | 82.0 | 3.5 | 11.5 | 74 | 39.19 | 45 | |||||||||
| คือ 150/320b | 1450 | 210 | 58.3 | 924.6 | 30 | 98.4 | 2.8 | 9.2 | 71 | 24.16 | 30 | Y225S-4 37kW | 300 | |||||
| 350 | 97.2 | 1541.0 | 26 | 85.3 | 3 | 9.8 | 77 | 32.18 | 37 | |||||||||
| 420 | 116.7 | 1849.2 | 22 | 72.2 | 3.3 | 10.8 | 73 | 34.47 | 37 | |||||||||
| คือ 150/400 | 1450 | 240 | 66.7 | 056.7 | 58 | 190.3 | 2.4 | 79 | 75 | 50.54 | 75 | y280m-4 90kW | 409 | 200 | 150 | 250 | 200 | 209 |
| 385 | 106.9 | 695.1 | 53.5 | 175.5 | 3 | 9.8 | 84 | 66.78 | 75 | |||||||||
| 460 | 1278 | 2025.3 | 49 | 160.8 | 3.6 | 11.8 | 83 | 73.96 | 90 | |||||||||
| คือ 150/400a | 1450 | 232 | 64.4 | 021.5 | 52 | 170.6 | 2.8 | 9.2 | 72 | 45.63 | 55 | Y280S-4 75kW | 395 | |||||
| 372 | 103.3 | 16379 | 47.5 | 155.8 | 3.2 | 10.5 | 78 | 61.69 | 75 | |||||||||
| 444 | 1233 | 954.9 | 42.5 | 1394 | 3.6 | 11.8 | 77 | 66.74 | 75 | |||||||||
| คือ 150/400B | 1450 | 223 | 61.9 | 981.8 | 48 | 157.5 | 2.8 | 9.2 | 70 | 41.64 | 55 | Y280S-4 75kW | 380 | |||||
| 357.5 | 99.3 | 1574.0 | 43.5 | 142.7 | 3.1 | 10.2 | 76 | 55.72 | 75 | |||||||||
| 427.5 | 118.8 | 882.2 | 39 | 128.0 | 3.5 | 11.5 | 74 | 61.36 | 75 | |||||||||
| คือ 150/500 | 1450 | 300 | 83.3 | 320.9 | 86.5 | 283.8 | 3.1 | 10.2 | 79 | 89.46 | 110 | Y315L1-4 160kW | 500 | 200 | 150 | 250 | 200 | 410 |
| 500 | 138.9 | 2201.4 | 77.5 | 254.3 | 3.5 | 11.5 | 84 | 125.63 | 160 | |||||||||
| 600 | 166.7 | 641.7 | 69 | 226.4 | 3.8 | 12.5 | 81 | 139.19 | 160 | |||||||||
| IS150/500A | 1450 | 270 | 75.0 | 1188.8 | 79.5 | 260.8 | 3 | 9.8 | 74 | 78.99 | 90 | Y315M-4 132kW | 485 | |||||
| 450 | 125. | 1981.3 | 72 | 236.2 | 3.4 | 11.2 | 80 | 110.29 | 132 | |||||||||
| 540 | 50 | 2377.5 | 63 | 206.7 | 3.6 | 11.8 | 77 | 120.32 | 132 | |||||||||
| IS150/500B | 1450 | 240 | 66.7 | 056.7 | 75.5 | 2477 | 2.8 | 9.2 | 69 | 71.52 | 75 | Y315M-4 132kW | 470 | 200 | 150 | 250 | 200 | 410 |
| 400 | 111.1 | 761.1 | 70 | 229.7 | 3.2 | 10.5 | 79 | 96.52 | 110 | |||||||||
| 480 | 133.3 | 2113.4 | 65 | 213.3 | 3.5 | 11.5 | 78 | 108.93 | 132 | |||||||||
| IS150/500C | 1450 | 210 | 58.3 | 924.6 | 68 | 223.1 | 2.6 | 8.5 | 67 | 58.04 | 75 | Y315S-4 110kW | 445 | |||||
| 350 | 97.2 | 1541.0 | 63 | 206.7 | 3 | 9.8 | 77 | 7799 | 90 | |||||||||
| 420 | 116.7 | 849.2 | 60.5 | 198.5 | 3.3 | 10.8 | 76 | 91.05 | 110 | |||||||||
| IS200/260 | 1450 | 259.2 | 72.0 | 141.2 | 19.5 | 64.0 | 3 | 9.8 | 73 | 18.86 | 22 | Y200L-4 30kW | 264 | 250 | 200 | 300 | 300 | 256 |
| 432 | 120.0 | 902.0 | 15.2 | 499 | 3.2 | 10.5 | 82 | 21.81 | 30 | |||||||||
| 518.4 | 144.0 | 2282.4 | 12 | 394 | 3.2 | 10.5 | 74 | 22.89 | 30 | |||||||||
| IS200/260A | 1450 | 248.4 | 69.0 | 093.7 | 18 | 59.1 | 2.9 | 9.5 | 72 | 16.91 | 22 | Y180L-4 22kW | 255 | |||||
| 414 | 115.0 | 822.8 | 14 | 45.9 | 3.1 | 10.2 | 81 | 19.49 | 22 | |||||||||
| 496.8 | 138.0 | 2187.3 | 10.5 | 34.4 | 3.2 | 10.5 | 72 | 19.73 | 22 | |||||||||
| IS200/260B | 1450 | 237.6 | 66.0 | 046.1 | 15 | 49.2 | 2.8 | 9.2 | 70 | 13.87 | 18.5 | y180m-4 18.5kW | 245 | |||||
| 396 | 110.0 | 743.5 | 12 | 39.4 | 3 | 9.8 | 80 | 16.18 | 18.5 | |||||||||
| 475.2 | 132.0 | 2092.2 | 9.7 | 31.8 | 3.1 | 10.2 | 70 | 1793 | 18.5 | |||||||||
| คือ 200/320 | 1450 | 345 | 95.8 | 519.0 | 35 | 114.8 | 3.2 | 10.5 | 72.5 | 45.36 | 55 | Y280S-4 75kW | 340 | 250 | 200 | 300 | 300 | 310 |
| 575 | 159.7 | 2531.7 | 30 | 98.4 | 3.3 | 10.8 | 83.5 | 56.26 | 75 | |||||||||
| 690 | 191.7 | 3038.0 | 25.5 | 83.7 | 3.4 | 11.2 | 79.5 | 60.27 | 75 | |||||||||
| IS200/320A | 1450 | 324 | 90.0 | 426.5 | 30 | 98.4 | 3.1 | 10.2 | 71 | 3728 | 45 | Y250M-4 55kW | 320 | |||||
| 540 | 150.0 | 2377.5 | 25.5 | 83.7 | 3.2 | 10.5 | 83 | 45.18 | 55 | |||||||||
| 648 | 180.0 | 2853.1 | 21 | 68.9 | 3.3 | 10.8 | 78 | 47.51 | 55 | |||||||||
| IS200/320B | 1450 | 302.4 | 84.0 | 331.4 | 26.5 | 86.9 | 3 | 9.8 | 67.5 | 32.33 | 45 | y225m-4 45kW | 300 | |||||
| 504 | 140.0 | 2219.0 | 22 | 72.2 | 3.1 | 10.2 | 82 | 36.82 | 45 | |||||||||
| 604.8 | 168.0 | 2662.9 | 8.3 | 60.0 | 3.2 | 10.5 | 77.5 | 38.89 | 45 | |||||||||
| IS200/400 | 1450 | 390 | 108.3 | 7171 | 59.5 | 195.2 | 3 | 9.8 | 74 | 85.40 | 110 | Y315M-4 132kW | 418 | 250 | 200 | 300 | 300 | 345 |
| 650 | 180.6 | 2861.9 | 53.5 | 175.5 | 3.8 | 12.5 | 84 | 112.74 | 132 | |||||||||
| 780 | 216.7 | 3434.2 | 48.5 | 1591 | 4.5 | 14.8 | 82 70 | 125.64 | 132 | |||||||||
| IS200/400A | 1450 | 360 | 100.0 | 1585.0 | 52.5 | 172.2 | 2.9 | 9.5 | 73.53 | 90 | Y315S-4 110kW | 400 | ||||||
| 600 | 166.7 | 2641.7 | 46.5 | 152.6 | 3.6 | 11.8 | 81 | 93.80 | 110 | |||||||||
| 720 | 200.0 | 3170.1 | 41.5 | 136.2 | 4.4 | 14.4 | 80 | 101.72 | 110 | |||||||||
| IS200/400B | 1450 | 330 | 91.7 | 1452.9 | 41.5 | 136.2 | 2.8 | 9.2 | 69 | 54.05 | 75 | Y280S-4 75kW | 370 | |||||
| 550 | 152.8 | 2421.6 | 36 | 118.1 | 3.5 | 11.5 | 81 | 66.57 | 90 | |||||||||
| 660 | 183.3 | 2905.9 | 31 | 101.7 | 4.2 | 13.8 | 78 | 71.43 | 90 | |||||||||
| IS200/500 | 1450 | 330 | 91.7 | 1452.9 | 90 | 295.3 | 3.2 | 10.5 | 68 | 118.94 | 132 | y355m-4 250kW | 500 | 250 | 200 | 300 | 300 | 510 |
| 550 | 152.8 | 2421.6 | 87 | 285.4 | 4 | 13.1 | 81 | 160.88 | 200 | |||||||||
| 660 | 183.3 | 2905.9 | 84.5 | 277.2 | 4.8 | 15.7 | 80 | 189.85 | 250 | |||||||||
| IS200/500A | 1450 | 300 | 83.3 | 320.9 | 32.5 | 270.7 | 3 | 9.8 | 69 | 97.68 | 110 | Y31512-4 200kW | 480 | |||||
| 500 | 138.9 | 2201.4 | 80 | 262.5 | 3.8 | 12.5 | 82.5 | 132.04 | 160 | |||||||||
| 600 | 166.7 | 2641.7 | 77.5 | 254.3 | 4.5 | 14.8 | 84 | 150.75 | 200 | |||||||||
| IS200/500B | 1450 | 270 | 75.0 | 188.8 | 73 | 239.5 | 2.8 | 9.2 | 63 | 85.20 | 110 | Y315L 1-4 160kW | 460 | |||||
| 450 | 125.0 | 981.3 | 71.5 | 234.6 | 3.6 | 11.8 | 78 | 112.34 | 132 | |||||||||
| 540 | 150.0 | 2377.5 | 69 | 226.4 | 4.2 | 13.8 | 80 | 126.84 | 160 | |||||||||
| IS250/320 | 1450 | 522 | 145.0 | 2298.3 | 32 | 105.0 | 3 | 9.8 | 69 | 65.93 | 75 | y280m-4 90kW | 328 | 300 | 250 | 350 | 350 | 375 |
| 870 | 241.7 | 3830.5 | 27.5 | 90.2 | 4.8 | 15.7 | 83.5 | 78.03 | 90 | |||||||||
| 1044 | 290.0 | 4596.6 | 24 | 78.7 | 6.5 | 21.3 | 82 | 83.21 | 90 | |||||||||
| IS250/320A | 1450 | 480 | 133.3 | 2113.4 | 29.5 | 96.8 | 2.8 | 9.2 | 63 | 61.21 | 75 | y280m-4 90kW | 318 | |||||
| 800 | 222.2 | 3522.3 | 25.5 | 83.7 | 4.5 | 14.8 | 82 | 67.75 | 75 | |||||||||
| 960 | 266.7 | 4226.8 | 22.5 | 73.8 | 6.2 | 20.3 | 83.5 | 70.45 | 90 | |||||||||
| IS250/320B | 1450 | 450 | 125.0 | 1981.3 | 28 | 91.9 | 2.5 | 8.2 | 62 | 55.34 | 75 | Y280S-4 75kW | 310 | |||||
| 750 | 208.3 | 3302.2 | 24.5 | 80.4 | 4.2 | 13.8 | 81 | 61.78 | 75 | |||||||||
| 900 | 250.0 | 3962.6 | 22 | 72.2 | 6.0 | 19.7 | 82 | 65.76 | 75 | |||||||||
| IS250/320C | 1450 | 432 | 120.0 | 1902 | 3.5 | 77.1 | 2.4 | 79 | 61 | 45.32 | 55 | Y280S-4 75kW | 300* 288 (R147) | |||||
| 720 | 200.0 | 3170. | 20 | 65.6 | 4.0 | 13.1 | 80 | 49.02 | 55 | |||||||||
| 864 | 240. | 3804.1 | .5 | 574 | 5.8 | 19.0 | 76 | 54.18 | 75 | |||||||||
| คือ 250/400 | 1450 | 550 | 152.8 | 2421.6 | 56.5 | 185.4 | 3.0 | 9.8 | 75.5 | 112.09 | 132 | Y315L2-4 200kW | 422 | 300 | 250 | 350 | 350 | 470 |
| 760 | 211.1 | 3346.2 | 54 | 177.2 | 3.5 | 11.5 | 85 | 131.49 | 160 | |||||||||
| 950 | 263.9 | 4182.7 | 48.5 | 159.1 | 4.5 | 14.8 | 83 | 151.18 | 200 | |||||||||
| IS250/400A | 1450 | 360 | 100.0 | 585.0 | 45 | 147.6 | 2.6 | 8.5 | 62 | 71.16 | 90 | Y315S-4 110kW | 380 | |||||
| 600 | 166.7 | 2641.7 | 43 | 141.1 | 3.2 | 10.5 | 80 | 8783 | 110 | |||||||||
| 720 | 200.0 | 3170.1 | 40.5 | 132.9 | 4.2 | 13.8 | 07 | 95.68 | 110 | |||||||||
| คือ 250/400B | 1450 | 300 | 83.3 | 1320.9 | 35 | 114.8 | 2.3 | 7.5 | 55.5 | 51.52 | 75 | Y280S-4 75kW | 338 | |||||
| 500 | 138.9 | 2201.4 | 33 | 108.3 | 3.0 | 9.8 | 75 | 59.91 | 75 | |||||||||
| 600 | 166.7 | 2641.7 | 31 | 101.7 | 4.0 | 13.1 | 79 | 64.12 | 75 | |||||||||
| คือ 250/500 | 1450 | 534 | 148.3 | 2351.1 | 85.5 | 280.5 | 3.0 | 9.8 | 70 | 177.63 | 250 | Y355L-4 315kW | 500 | 300 | 250 | 350 | 350 | 630 |
| 890 | 247.2 | 3918.6 | 80 | 262.5 | 5.0 | 16.4 | 83 | 233.61 | 280 | |||||||||
| 1068 | 296.7 | 4702.3 | 74 | 242.8 | 7.0 | 23.0 | 81 | 265.71 | 315 | |||||||||
| IS250/500A | 1450 | 480 | 133.3 | 2113.4 | 76 | 249.3 | 2.8 | 9.2 | 67 | 148.28 | 200 | y355m-4 250kW | 475 | |||||
| 800 | 222.2 | 3522.3 | 70.5 | 231.3 | 4.6 | 15.1 | 80 | 191.99 | 250 | |||||||||
| 960 | 266.7 | 4226.8 | 65.5 | 214.9 | 6.7 | 22.0 | 80 | 214.05 | 250 | |||||||||
| IS250/500B | 1450 | 450 | 125.0 | 1981.3 | 68 | 223.1 | 2.6 | 8.5 | 65 | 128.21 | 160 | Y315L2-4 200kW | 450 | |||||
| 750 | 208.3 | 3302.2 | 63 | 206.7 | 4.4 | 14.4 | 78.5 | 163.92 | 200 | |||||||||
| 900 | 250.0 | 3962.6 | 58.4 | 191.6 | 6.5 | 21.3 | 79 | 181.19 | 200 | |||||||||
| คือ 300/320 | 1450 | 720 | 200.0 | 3170.1 | 39 | 128.0 | 4.2 | 13.8 | 70 | 109.24 | 132 | Y315L1-4 160kW | 360 | 350 | 300 | 400 | 400 | 650 |
| 1200 | 333.3 | 5283.4 | 32 | 105.0 | 5.0 | 16.4 | 84 | 124.49 | 160 | |||||||||
| 1440 | 400.0 | 6340. | 30 | 98.4 | 5.5 | 18.0 | 76 | 154.80 | 160 | |||||||||
| คือ 300/320a | 1450 | 691 | 191.9 | 3042.4 | 35 | 114.8 | 4.2 | 13.8 | 65 | 101.33 | 110 | Y315M-4 132kW | 349 | |||||
| 1152 | 320.0 | 5072.1 | 29 | 95.1 | 5.0 | 16.4 | 80 | 113.73 | 132 | |||||||||
| 1382 | 383.9 | 6084.8 | 27.5 | 90.2 | 5.5 | 18.0 | 75 | 138.00 | 132 | |||||||||
| คือ 300/320b | 1450 | 626 | 173.9 | 2756.2 | 33.5 | 1099 | 4.4 | 14.4 | 70 | 81.59 | 90 | Y315S-4 110kW | 334 | |||||
| 1044 | 290.0 | 4596.6 | 275 | 90.2 | 5.3 | 174 | 79 | 98.97 | 110 | |||||||||
| 1253 | 348.1 | 5516.8 | 24 | 78.7 | 5.7 | 18.7 | 83 | 98.67 | 110 | |||||||||
| IS300/400 | 1450 | 831.6 | 231.0 | 3661.4 | 52 | 170.6 | 5.0 | 16.4 | 70 | 168.24 | 200 | y355m-4 250kW | 415 | 350 | 300 | 400 | 400 | 700 |
| 1386 | 385.0 | 6102.4 | 46.5 | 152.6 | 7.0 | 23.0 | 86 | 204.09 | 220 | |||||||||
| 1663.2 | 462.0 | 7322.9 | 42 | 137.8 | 8.0 | 26.2 | 87.5 | 21741 | 250 | |||||||||
| IS300/400A | 1450 | 720 | 200.0 | 3170.1 | 45 | 147.6 | 4.8 | 15.7 | 65 | 135.75 | 160 | Y315L2-4 200kW | 385 | |||||
| 1200 | 333.3 | 5283.4 | 40.5 | 132.9 | 6.5 | 21.3 | 81 | 163.40 | 200 | |||||||||
| 1440 | 400.0 | 6340. | 37 | 121.4 | 7.5 | 24.6 | 82 | 176.95 | 200 | |||||||||
| IS300/400B | 1450 | 594 | 165.0 | 2615.3 | 38.5 | 126.3 | 4.5 | 14.8 | 54.5 | 114.27 | 132 | Y315L1-4 160kW | 360*6 ° | |||||
| 990 | 275.0 | 4358.8 | 35 | 114.8 | 6.0 | 19.7 | 74 | 127.52 | 160 | |||||||||
| 1188 | 330.0. | 52306 | 32.5 | 106.6 | 7.0 | 23.0 | 79 | 133.10 | 160 | |||||||||
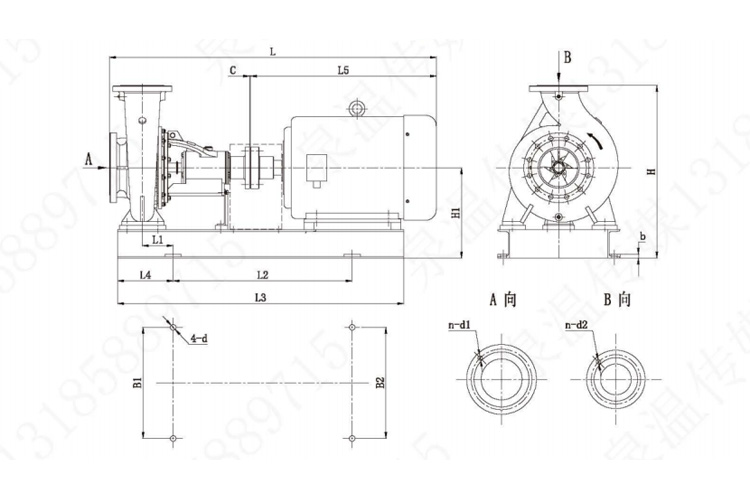
| สเปคปั๊ม | เส้นผ่านศูนย์กลางเพลา | ทางเข้า φ1 | การออก | ขนาดปั๊ม | ขนาดเท้าปั๊ม | มิติปลายเพลา | การมีเพศสัมพันธ์ สิ้นสุดข้อกำหนดคีย์ | |||||||||||||
| อัน | f | H1 | H2 | ข | M1 | M2 | N1 | N2 | N3 | H3 | φs1 | φs2 | W | d | l | |||||
| IS32/130 | 25 | φ50 | φ32 | 80 | 360 | 112 | 140 | 50 | 100 | 70 | 190 | 140 | 100 | 14 | 14 | 14 | 267 | 24 | 50 | 8*7*32 |
| IS32/160 | 25 | φ50 | φ32 | 80 | 360 | 132 | 160 | 50 | 100 | 70 | 240 | 190 | 100 | 14 | 14 | 14 | 267 | 24 | 50 | 8*7*32 |
| IS32/200 | 25 | φ50 | φ32 | 80 | 360 | 160 | 180 | 50 | 100 | 70 | 240 | 190 | 110 | 14 | 14 | 14 | 267 | 24 | 50 | 8*7*32 |
| IS32/260 | 25 | φ50 | φ32 | 100 | 360 | 180 | 225 | 65 | 125 | 95 | 320 | 250 | 110 | 14 | 14 | 14 | 267 | 24 | 50 | 8*7*32 |
| IS40/130 | 25 | φ65 | φ40 | 80 | 360 | 112 | 140 | 50 | 100 | 70 | 210 | 160 | 100 | 14 | 14 | 14 | 267 | 24 | 50 | 8*7*32 |
| IS40/160 | 25 | φ65 | φ40 | 80 | 360 | 132 | 160 | 50 | 100 | 70 | 240 | 190 | 100 | 14 | 14 | 14 | 267 | 24 | 50 | 8*7*32 |
| IS40/200 | 25 | φ65 | φ40 | 100 | 360 | 160 | 180 | 50 | 100 | 70 | 265 | 212 | 110 | 14 | 14 | 14 | 267 | 24 | 50 | 8*7*32 |
| IS40/260 | 25 | φ65 | φ40 | 100 | 360 | 180 | 225 | 65 | 125 | 95 | 320 | 250 | 110 | 14 | 14 | 14 | 267 | 24 | 50 | 8*7*32 |
| IS40/320 | 35 | φ65 | φ40 | 125 | 470 | 200 | 225 | 65 | 125 | 95 | 345 | 280 | 110 | 14 | 14 | 14 | 342 | 32 | 80 | 10*8*40 |
| IS50/130 | 25 | φ65 | φ50 | 100 | 360 | 132 | 160 | 50 | 100 | 70 | 240 | 190 | 100 | 14 | 14 | 14 | 267 | 24 | 50 | 8*7*32 |
| IS50/160 | 25 | 中 65 | φ50 | 100 | 360 | 160 | 180 | 50 | 100 | 70 | 265 | 212 | 110 | 14 | 14 | 14 | 267 | 24 | 50 | 8*7*32 |
| IS50/200 | 25 | φ65 | φ50 | 100 | 360 | 160 | 200 | 50 | 100 | 70 | 265 | 212 | 110 | 14 | 14 | 14 | 267 | 24 | 50 | 8*7*32 |
| IS50/260 | 25 | φ65 | φ50 | 100 | 360 | 180 | 225 | 65 | 125 | 95 | 320 | 250 | 110 | 14 | 14 | 14 | 267 | A 2 | 50 | 8*7*32 |
| IS50/260G | 35A | φ65 | φ50 | 100 | 454 | 180 | 225 | 65 | 125 | 95 | 320 | 250 | 110 | 14 | 14 | 14 | 328 | 32 | 80 | 10*8*40 |
| IS50/320 | 35 | φ65 | φ50 | 125 | 470 | 225 | 280 | 65 | 125 | 95 | 345 | 280 | 110 | 16 | 14 | 14 | 342 | 32 | 80 | 10*8*40 |
| IS.65/130 | 25 | φ80 | φ65 | 100 | 360 | 160 | 180 | 65 | 125 | 95 | 280 | 212 | 110 | 14 | 14 | 14 | 267 | 24 | 50 | 8*7*32 |
| IS65/160 | 25 | φ80 | φ65 | 100 | 360 | 160 | 200 | 65 | 125 | 95 | 280 | 212 | 110 | 14 | 14 | 14 | 267 | 24 | 50 | 8*7*32 |
| IS55/200 | 25 | φ80 | φ65 | 100 | 360 | 180 | 225 | 65 | 125 | 95 | 320 | 250 | 110 | 14 | 14 | 14 | 267 | 24 | 50 | 8*7*32 |
| IS65/200G | 35A | φ80 | φ65 | 100 | 454 | 180 | 225 | 65 | 125 | 95 | 320 | 250 | 110 | 14 | 14 | 14 | 328 | 32 | 80 | 10*8*40 |
| IS65/260 | 35 | φ80 | φ65 | 100 | 470 | 200 | 250 | 80 | 160 | 120 | 360 | 280 | 110 | 16 | 18 | 14 | 342 | 32 | 80 | 10*8*40 |
| IS65/320 | 35 | φ80 | φ65 | 125 | 470 | 225 | 280 | 80 | 160 | 120 | 400 | 315 | 110 | 16 | 18 | 14 | 342 | 32 | 80 | 10*8*40 |
| IS80/160 | 25 | φ100 | φ80 | 125 | 360 | 180 | 225 | 65 | 125 | 95 | 320 | 250 | 110 | 14 | 14 | 14 | 267 | 24 | 0 | 8*7*32 |
| คือ B0/160G | 35A | φ100 | φ80 | 125 | 454 | 180 | 225 | 65 | 125 | 95 | 320 | 250 | 110 | 14 | 14 | 14 | 328 | 32 | 80 | 10*8*40 |
| คือ B0/160G | 35A | φ100 | φ80 | 125 | 454 | 180 | 225 | 65 | 125 | 95 | 320 | 250 | 110 | 14 | 14 | 14 | 328 | 32 | 80 | 10*8*40 |
| IS80/200 | 35 | φ100 | φ80 | 125 | 470 | 180 | 250 | 65 | 125 | 95 | 345 | 280 | 110 | 14 | 14 | 14 | 342 | 32 | 80 | 10*8*40 |
| IS80/260 | 35 | φ100 | φ80 | 125 | 470 | 200 | 280 | 80 | 160 | 120 | 400 | 315 | 110 | 16 | 18 | 14 | 342 | 32 | 80 | 10*8*40 |
| IS80/320 | 35 | φ100 | φ80 | 125 | 470 | 250 | 315 | 80 | 160 | 120 | 400 | 315 | 110 | 16 | 18 | 14 | 342 | 32 | 80 | 10*8*40 |
| IS80/400 | 45 | φ100 | φ80 | 125 | 520 | 280 | 355 | 85 | 160 | 120 | 400 | 355 | 110 | 16 | 18 | 14 | 370 | 42 | 110 | 12*8*56 |
| IS100/200 | 35 | φ125 | P100 | 125 | 470 | 200 | 280 | 80 | 160 | 120 | 360 | 280 | 110 | 16 | 18 | 14 | 342 | 32 | 80 | 10*8*40 |
| IS100/260 | 35 | φ125 | P100 | 140 | 470 | 225 | 280 | 80 | 160 | 120 | 400 | 315 | 110 | 16 | 18 | 14 | 342 | 32 | 80 | 10*8*40 |
| IS100/320 | 35 | φ125 | P100 | 140 | 470 | 250 | 315 | 80 | 160 | 120 | 400 | 315 | 110 | 16 | 18 | 14 | 342 | 32 | 80 | 10*8*40 |
| IS100/400 | 45 | φ125 | P100 | 140 | 530 | 280 | 355 | 100 | 200 | 150 | 500 | 400 | 110 | 18 | 07 | 14 | 370 | 42 | 110 | 12*8*56 |
| IS125/200 | 35 | φ150 | P125 | 140 | 470 | 250 | 315 | 80 | 160 | 120 | 400 | 315 | 110 | 16 | 18 | 14 | 342 | 32 | 80 | 10*8*40 |
| IS125/260 | 35 | φ150 | φ125 | 140 | 470 | 250 | 355 | 80 | 160 | 120 | 400 | 315 | 110 | 16 | 18 | 14 | 342 | 32 | 80 | 10*8*40 |
| IS125/320 | 45 | φ150 | P125 | 140 | 530 | 280 | 355 | 100 | 200 | 150 | 500 | 400 | 110 | 18 | 23 | 14 | 370 | 42 | 110 | 12*8*56 |
| IS125/400 | 45 | φ150 | P125 | 140 | 530 | 315 | 400 | 100 | 200 | 150 | 500 | 400 | 110 | 18 | 23 | 14 | 370 | 42 | 110 | 12*8*56 |
| คือ 125/500 | 60 | φ150 | P125 | 180 | 670 | 375 | 500 | 120 | 200 | 150 | 550 | 450 | 140 | 25 | 23 | 14 | 511 | 55 | 110 | 16*10*100 |
| IS150/200 | 35 กรัม | P200 | P150 | 160 | 495 | 280 | 400 | 100 | 200 | 150 | 550 | 450 | 110 | 20 | 23 | 14 | 367 | 32 | 80 | 10*8*40 |
| คือ 150/260 | 45 | φ200 | P150 | 160 | 530 | 250 | 355 | 100 | 200 | 150 | 450 | 350 | 110 | 18 | 23 | 14 | 370 | 42 | 110 | 12*8*56 |
| IS.150/320 | 45 | φ200 | D150 | 160 | 530 | 280 | 400 | 100 | 200 | 150 | 550 | 450 | 110 | 18 | 23 | 14 | 370 | 42 | 110 | 12*8*56 |
| คือ 150/400 | 45 | φ200 | P150 | 160 | 530 | 315 | 450 | 100 | 200 | 150 | 550 | 450 | 110 | 18 | 23 | 14 | 370 | 42 | 110 | 12*8*56 |
| IS150/500 | 60 | φ200 | D150 | 180 | 670 | 375 | 500 | 120 | 200 | 150 | 550 | 450 | 140 | 25 | 23 | 14 | 511 | 55 | 110 | 16*10*100 |
| IS200/260 | 45 | φ250 | φ200 | 180 | 550 | 280 | 400 | 100 | 200 | 150 | 550 | 450 | 110 | 25 | 27 | 14 | 389 | 42 | 110 | 12*8*56 |
| IS200/320 | 55 | φ250 | φ200 | 200 | 670 | 355 | 450 | 100 | 200 | 150 | 550 | 450 | 110 | 20 | 23 | 14 | 511 | 48 | 110 | 14*9*100 |
| IS200/400 | 55 | φ250 | φ200 | 200 | 670 | 355 | 500 | 120 | 200 | 150 | 550 | 450 | 110 | 20 | 23 | 14 | 511 | 48 | 110 | 14*9*100 |
| IS200/500 | 60 | φ250 | φ200 | 210 | 675 | 400 | 500 | 160 | 300 | 240 | 720 | 600 | 140 | 30 | 27 | 14 | 511 | 55 | 110 | 16*10*100 |
| IS250/320 | 55 | φ300 | φ250 | 200 | 670 | 355 | 525 | 100 | 250 | 175 | 600 | 500 | 110 | 24 | 23 | 14 | 511 | 48 | 110 | 14*9*100 |
| IS250/400 | 60 | φ300 | P250 | 250 | 670 | 400 | 500 | 120 | 300 | 250 | 710 | 600 | 140 | 25 | 23 | 14 | 511 | 55 | 110 | 16*10*100 |
| IS250/500 | 75 | φ300 | P250 | 240 | 875 | 425 | 545 | 160 | 300 | 200 | 720 | 600 | 140 | 30 | 27 | 19 | 625 | 70 | 140 | 20*12*120 |
| IS300/320 | 75 | φ350 | φ300 | 260 | 875 | 400 | 560 | 140 | 300 | 200 | 750 | 600 | 140 | 40 | 27 | 19 | 625 | 70 | 140 | 20*12*120 |
| IS300/400 | 75 | φ350 | φ30 | 280 | 875 | 500 | 600 | 150 | 300 | 200 | 800 | 660 | 140 | 40 | 27 | 19 | 625 | 70 | 140 | 20*12*120 |
We attach great importance to your letter and will reply to you as soon as possible.

Anhui Freida Pump และ Valve Manufacturing Technology Co. , Ltd. เป็นองค์กรที่ครอบคลุมซึ่งรวมอุตสาหกรรมและการค้าเข้าด้วยกัน โดยมีความเชี่ยวชาญในการผลิตปั๊มเคมีต่างๆ รวมถึงปั๊มแม่เหล็ก ปั๊มหอยโข่ง ปั๊มจุ่ม ปั๊มดูดน้ำ ปั๊มท่อ และปั๊มที่ทนต่อการกัดกร่อนและสึกหรอ บริษัทนำเทคโนโลยีการวิเคราะห์วิศวกรรมด้วยคอมพิวเตอร์ขั้นสูง (CFD) เทคโนโลยีการตัดเฉือน CNC และระบบการทดสอบและการควบคุมคุณภาพที่เข้มงวดมาใช้เพื่อให้แน่ใจถึงคุณภาพสูงของผลิตภัณฑ์ ในฐานะผู้ผลิตปั๊มเคมี
ผลิตภัณฑ์ของเราส่วนใหญ่จะถูกส่งออกไปยังหลายประเทศและภูมิภาคต่างๆทั่วโลกรวมถึงสหรัฐอเมริกาเยอรมนีญี่ปุ่นสเปนอิตาลีสหราชอาณาจักรเกาหลีใต้ออสเตรเลียและแคนาดาและได้สร้างความสัมพันธ์แบบร่วมมือกับโรงงานเคมีจำนวนมากโรงบำบัดน้ำเสียและโรงไฟฟ้าพลังงานใหม่รวมถึง บริษัท Fortune 500 หลายแห่ง ด้วยคุณภาพและการบริการของผลิตภัณฑ์อย่างต่อเนื่องและมั่นคงมันได้กลายเป็นซัพพลายเออร์ปั๊มเคมีที่สำคัญสำหรับองค์กรเหล่านี้ในประเทศจีนโดยได้รับการยอมรับอย่างกว้างขวางในตลาดในประเทศและต่างประเทศ






ปั๊มแรงเหวี่ยงทำงานอย่างไร: หลักการพื้นฐาน ก ปั๊มแรงเหวี่ยง is a mechanical device that moves fluid by converting rotational kinetic energy — generated by a motor-driven impeller — into h...
ดู Moreปั๊มแม่เหล็กเป็นปั๊มแบบไม่มีซีลชนิดหนึ่งซึ่งใช้แรงแม่เหล็กเพื่อถ่ายโอนแรงบิดจากมอเตอร์ไปยังใบพัด ต่างจากปั๊มทั่วไปตรงที่ไม่ต้องอาศัยซีลเพลาเชิงกล แม่เหล็กด้านในจะขับเคลื่อนใบพัดผ่านแม่เหล็กด้านนอก ...
ดู Moreปั๊มหอยโข่งสแตนเลสเป็นปั๊มถ่ายเทของเหลวชนิดหนึ่งที่ใช้พลังงานการหมุนจากใบพัดเพื่อเคลื่อนย้ายของเหลวอย่างมีประสิทธิภาพ ตัวปั๊ม ใบพัด หรือทั้งสองอย่างทำจากสแตนเลส ซึ่งทนทานต่อการกัดกร่อน สนิม และสารเ...
ดู Moreปั๊มหอยโข่งสแตนเลสเป็นปั๊มถ่ายเทของเหลวชนิดหนึ่งที่ใช้พลังงานการหมุนจากใบพัดเพื่อเคลื่อนย้ายของเหลวอย่างมีประสิทธิภาพ ตัวปั๊ม ใบพัด หรือทั้งสองอย่างทำจากสแตนเลส ซึ่งทนทานต่อการกัดกร่อน สนิม และสารเ...
ดู More